EasyManua.ls Logo

BWT bestsoft 4 - Installationsschema

BWT bestsoft 4
Print Icon
To Next Page IconTo Next Page
To Next Page IconTo Next Page
To Previous Page IconTo Previous Page
To Previous Page IconTo Previous Page
Loading...
Deutsch
11
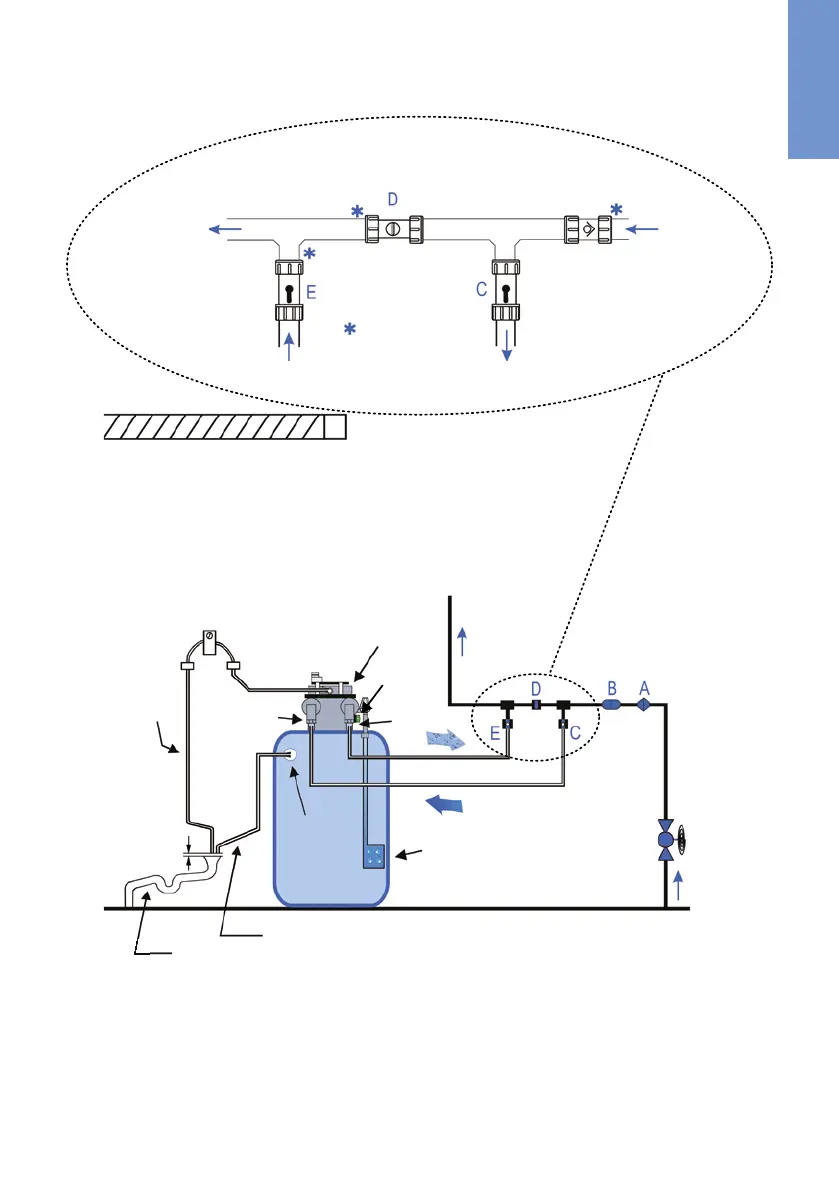
3.4 Installationsschema
Netzeingang
1
Rückschagventil
Einlassventil
offen
Einlass des
Enthärters
1
Bypassventil
geschlossen
Benutzen Sie eine
Reduzierbüchse für
15 mm Leitungen
Ausgang des
Enthärters
Auslassventil
offen
zur Haupt-
leitung
2
1
Eingangswasser = Hartwasser = Trinkwasser
2
Ausgang für enthärtetes Wasser
Legende für die Installation:
A. Rückschlagventil
B. Druckreduzierventil (wenn notwendig)
C. Einlassventil (hartes Wasser) ¾
D. Bypassventil
E. Auslassventil (Weichwasser) ¾
F. Haupt-Absperrventil
G. Salzvorratsbehälter
Legende für die Installation (Fortsetzung):
H.
I.
Abwasserschlauch
J.
K.
Flexibler Schlauch, Überlauf
L.
Regelventil (grün)
M.
Servomotor für Ventilpositionierung
N.
Abstandhalter & Zimmerdecke
O.
Überlaufstutzen ½
P.
Halteklammer für flexiblen Schlauch
Anschluss für Abfluss
Schlauchstutzen (externer Abfluss)
L
Druckventil-
Kopf
I
J. Abwasserschlauch
(Existentes oder neues „eingeschlossenes“ Standrohr für den externen Auslass des Abwassers)
K
L
G
F
H
P
Hauptwasserleitung
C
E
M
20 mm
N
Beachten Sie einen Minimalabstand zur Gebäudedecke (N) von 0,5 m.

Table of Contents

Related product manuals