EasyManua.ls Logo

BWT bestsoft 4 - Schéma Dinstallation

BWT bestsoft 4
Print Icon
To Next Page IconTo Next Page
To Next Page IconTo Next Page
To Previous Page IconTo Previous Page
To Previous Page IconTo Previous Page
Loading...
46
Français
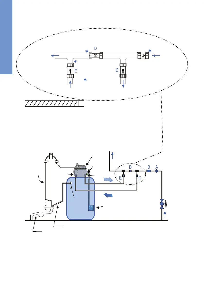
3.4 Schéma d’installation
entrée
principale
1
clapet anti-retour
Illustration de la
vanne d’entrée ouverte
entrée
adoucisseur
1
vanne de
by-pass fermée
Utilisez les
réductions pour la
tuyauterie de 15mm
sortie
adoucisseur
Illustration de la vanne
de sortie ouverte
sortie
principale
2
1
d’eau non traitée = d´eau dure = d´eau potable
2
sortie d´eau douce
Explication du schéma:
A. Clapet anti retour
B. Réducteur de pression (si nécessaire)
C. Vanne entrée adoucisseur (d´eau dure) ¾“
D. Vanne du by-pass général ¾“
E. Vanne sortie adoucisseur (d´eau douce) ¾“
F. Vanne d’arrêt principale
G. Bac à sel
Explication du schéma (suite):
H.
I.
Tuyau de rejet des eaux de régénération
J.
K.
Flexible pour le trop-plein
L.
Vanne mélangeuse avec molette de réglage (verte)
M.
Servo moteur d’entrainement
N.
Espacement de appareil et plafond de la pièce
O.
Raccordement du trop-plein ½“
P.
Clip pour attache de tuyau flexible
Egout
Disconnection physique entre l'égoût et les 2 flexibles
(évacuation des eaux de régénération
et eau du trop plein de bac à sel). (égout)
L
vanne tête
I
J. égout (* Tube existant ou raccordé à l’évacuation de l’eau)
K
L
G
F
H
P
sens de passage de l’eau
C
E
M
20 mm
N
Prévoir un dégagement nécessaire pour effectuer la maintenance de l’adoucisseur (N) de 0,5 m.

Table of Contents

Related product manuals