EasyManua.ls Logo

BWT bestsoft 4 - Esquema de Instalación

BWT bestsoft 4
Print Icon
To Next Page IconTo Next Page
To Next Page IconTo Next Page
To Previous Page IconTo Previous Page
To Previous Page IconTo Previous Page
Loading...
98
Español
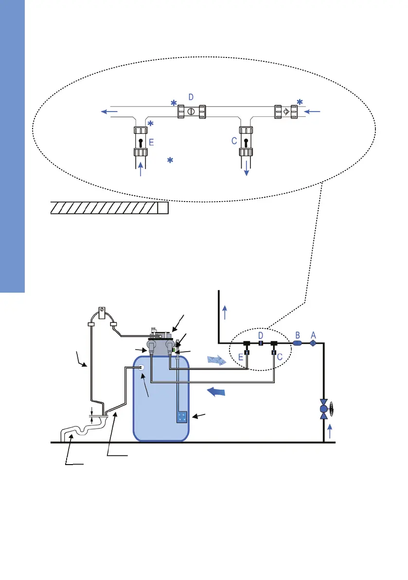
3.4 Esquema de instalación
Entrada de red
1
Válvula antirretorno
Válvula de
entrada abierta
Entrada del
descalcificador
1
Válvula de
derivación cerrada
Use el casquillo de
reducción para
líneas de 15 mm
Salida del
descalcificador
Válvula de
salida abierta
hacia la línea
principal
2
1
Agua de entrada = agua dura = agua potable
2
Salida de agua blanda descalcificada
Leyenda para la instalación:
A. Válvula antirretorno
B. Válvula de reducción de la presión (en caso necesario)
C. Válvula de entrada (agua dura) ¾“
D. Válvula de derivación
E. Válvula de salida (agua blanda) ¾“
F. Válvula de cierre principal
G. Recipiente de sal
Leyenda para la instalación (continuación):
H.
I.
Manguera de desagüe
J.
K.
Manguera flexible, rebosadero
L.
Válvula de regulación (verde)
M.
Servomotor para regulación de la válvula
N.
Distanciador y techo de la habitación
O.
Tubuladura de rebosadero ½“
P.
Grapa para manguera flexible
Conexión de aguas residuales
Tubuladura de empalme (salida externa)
L
Cabezal de válvula de presión
I
J. Desagüe (* Tubo vertical „encerrado“ existente o nuevo para la salida externa de agua residual)
K
L
G
F
H
P
Línea de agua principal
C
E
M
20 mm
N
Observe la distancia mínima respecto al techo del edificio (N) de 0,5 m.

Table of Contents

Related product manuals