EasyManua.ls Logo

Cafection Encore 29 - Page 81

Cafection Encore 29
82 pages
Print Icon
To Next Page IconTo Next Page
To Next Page IconTo Next Page
To Previous Page IconTo Previous Page
To Previous Page IconTo Previous Page
Loading...
EN1805CMINSA Rev. 5 2021-10
81
www.cafection.com 800-561-6162
SERVICE & INSTALLATION MANUAL - Encore 29
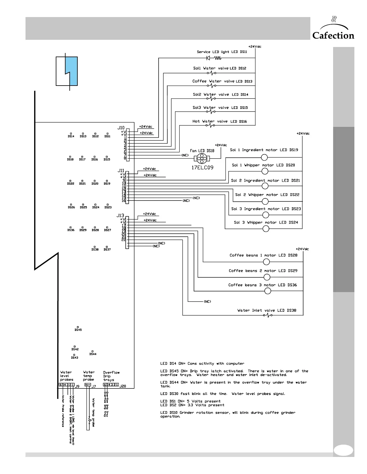
Annex 3
2/2

Table of Contents

Related product manuals