EasyManua.ls Logo

CalderaSpas Niagara - MAKENA;SALINA DIMENSIONS

CalderaSpas Niagara
76 pages
Print Icon
To Next Page IconTo Next Page
To Next Page IconTo Next Page
To Previous Page IconTo Previous Page
To Previous Page IconTo Previous Page
Loading...
9
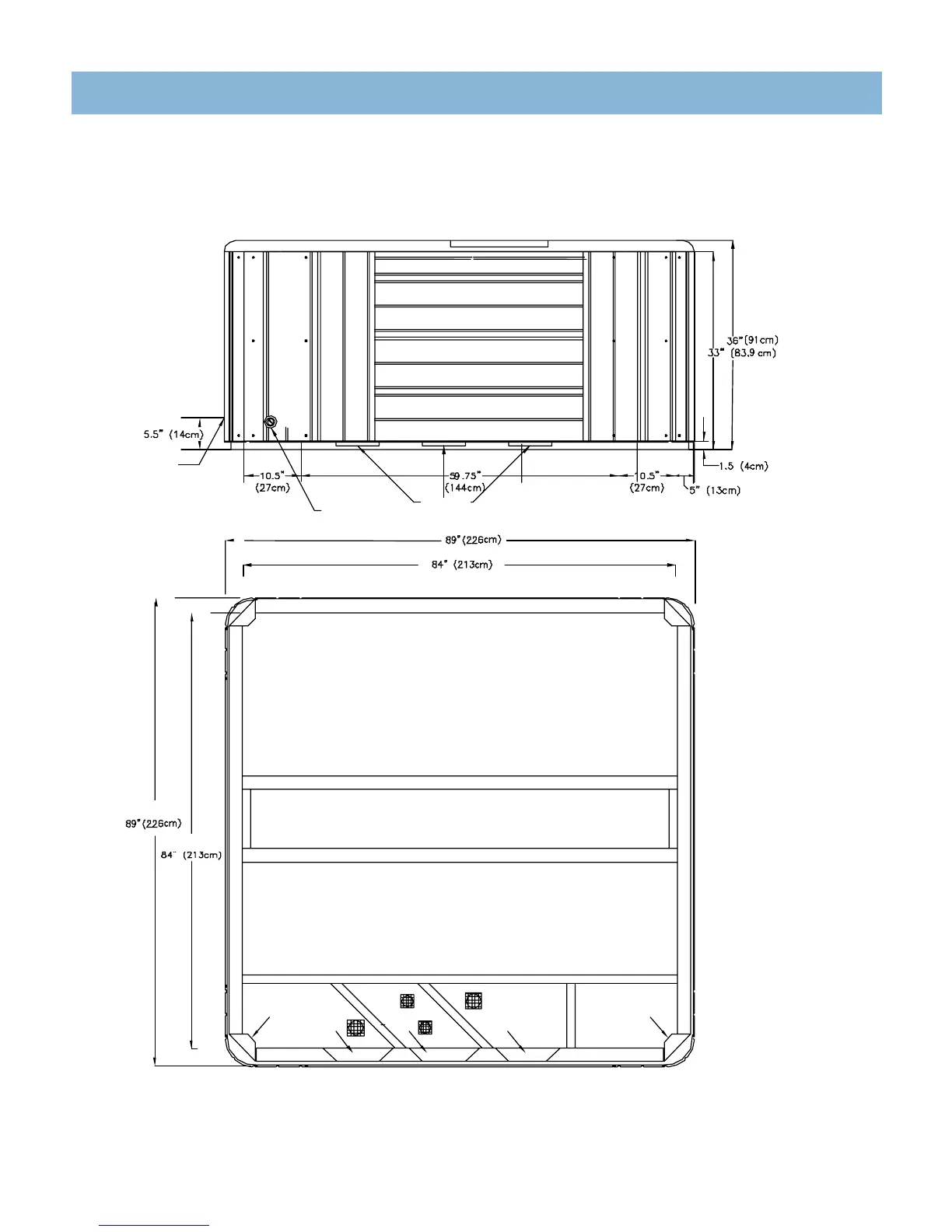
NOTE: Watkins Manufacturing Corporation requires that the MAKENA / SALINA be installed on a minimum 10 cm thick reinforced concrete pad or structurally sound
deck able to support the “dead weight” found in the spa specification chart.
WARNING: The MAKENA / SALINA must not be shimmed in any manner.
MAKENA / SALINA
NOTE: All dimensions are approximate; measure your spa before making critical design or pathway decisions.
DIMENSIONS
FRONT VIEW
ELECTRICAL
OUTLET
(BOTH SIDES)
SPA DRAIN
DOOR
DOOR
AIR VENTS
DO NOT BLOCK
OVERALL
PEDESTAL
DOOR
BOTTOM VIEW
ELECTRICAL OUTLET
AIR VENT
AIR VENT
AIR VENT
ELECTRICAL OUTLET
OVERALL
PEDESTAL
DOOR SIDE

Table of Contents

Other manuals for CalderaSpas Niagara

Related product manuals