EasyManua.ls Logo

CalderaSpas Niagara - SPA DIMENSIONS; CANTABRIA DIMENSIONS

CalderaSpas Niagara
76 pages
Print Icon
To Next Page IconTo Next Page
To Next Page IconTo Next Page
To Previous Page IconTo Previous Page
To Previous Page IconTo Previous Page
Loading...
6
231
274
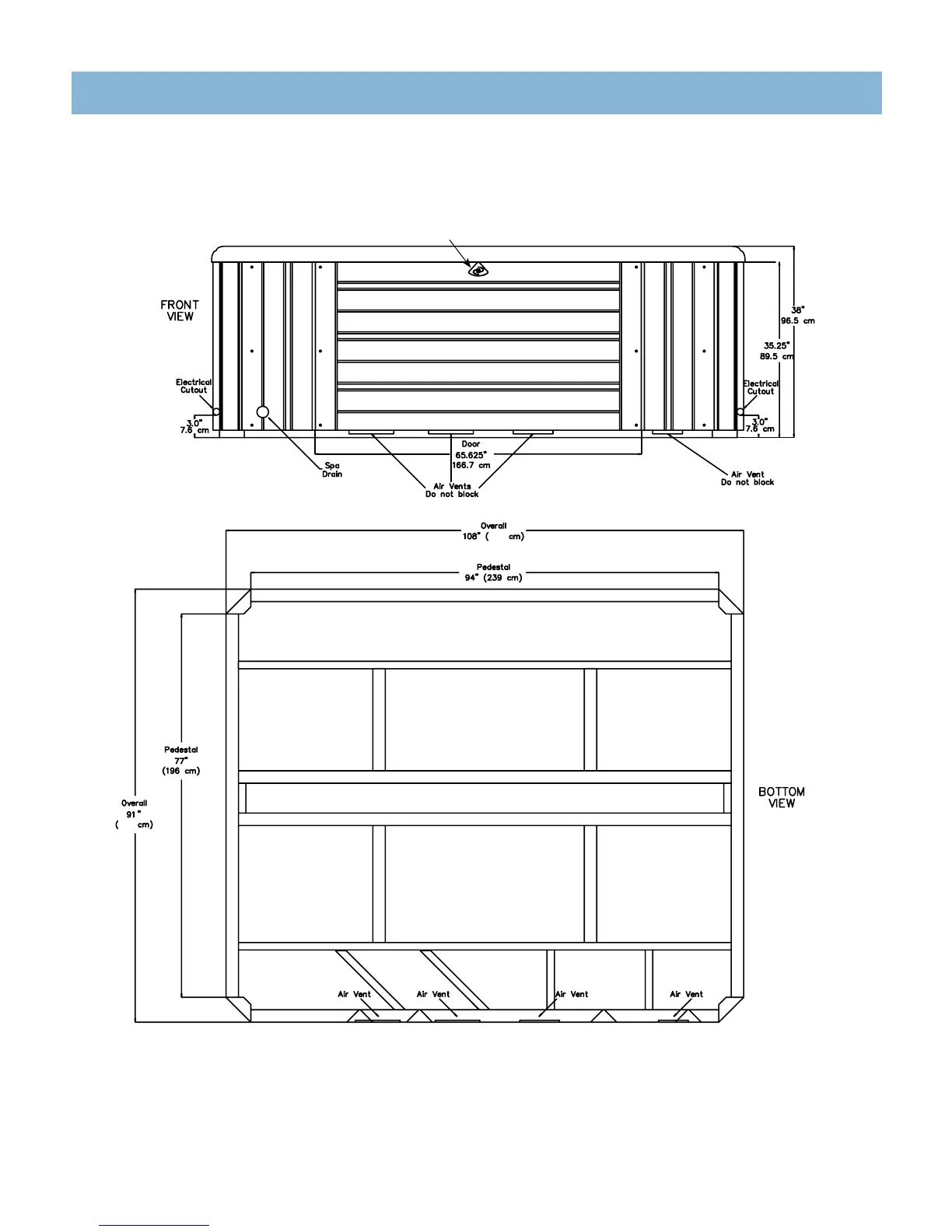
NOTE: Watkins Manufacturing Corporation requires that the CANTABRIA be installed on a minimum 10 cm thick reinforced concrete pad or structurally sound deck able
to support the “dead weight” found in the spa specification chart.
WARNING: The CANTABRIA must not be shimmed in any manner.
CANTABRIA
NOTE: All dimensions are approximate; measure your spa before making critical design or pathway decisions.
DIMENSIONS
External Sconce Light

Table of Contents

Other manuals for CalderaSpas Niagara

Related product manuals