EasyManua.ls Logo

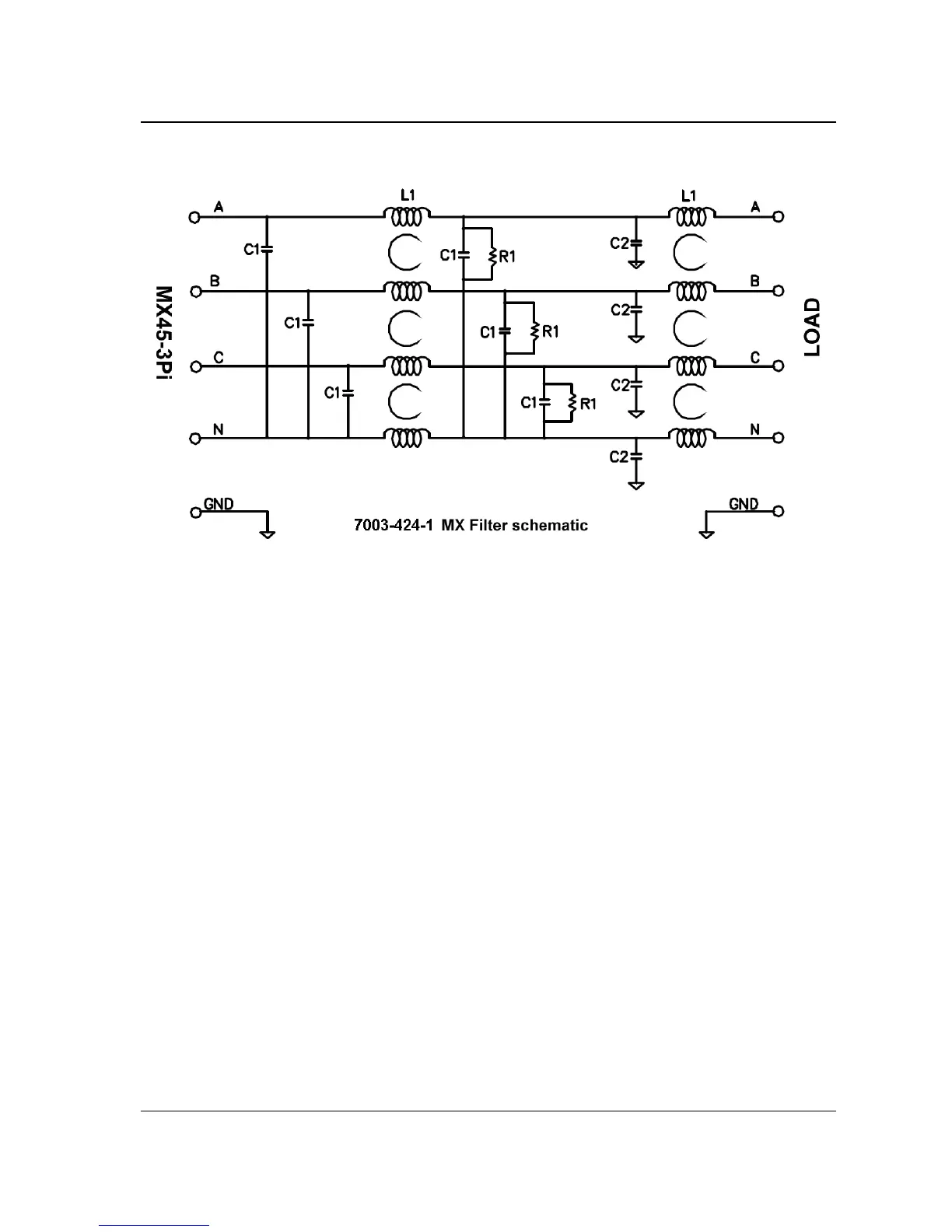
California Instruments MX Series - Figure 2-12: MX Output Filter Option Schematic

Default Icon
257 pages
Print Icon
To Next Page IconTo Next Page
To Next Page IconTo Next Page
To Previous Page IconTo Previous Page
To Previous Page IconTo Previous Page
Loading...
User Manual – Rev AY AMETEK Programmable Power
MX Series 36
Figure 2-12: MX output filter option schematic

Table of Contents

Related product manuals