EasyManua.ls Logo

California Instruments MX Series - Figure 3-14: Ship Kit Terminal Block Dimensions

Default Icon
257 pages
Print Icon
To Next Page IconTo Next Page
To Next Page IconTo Next Page
To Previous Page IconTo Previous Page
To Previous Page IconTo Previous Page
Loading...
User Manual – Rev AY AMETEK Programmable Power
MX Series 59
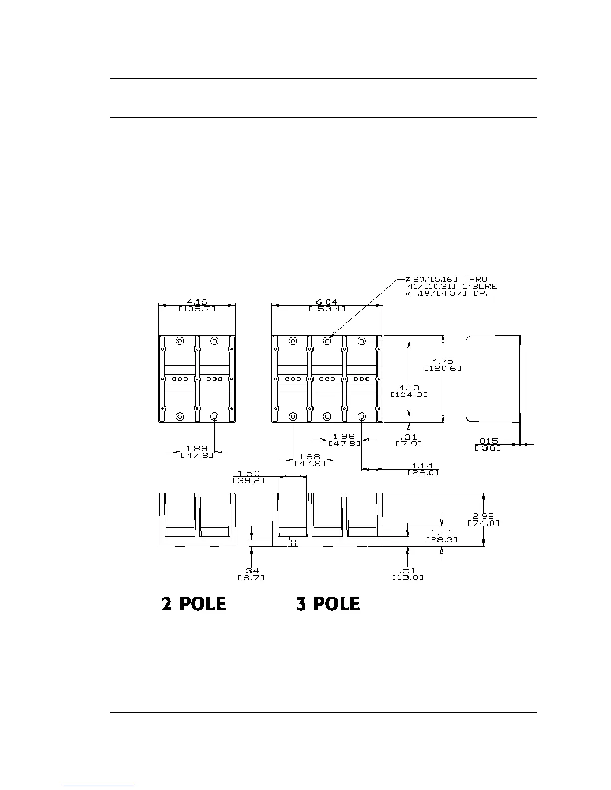
3.6.7 Multi-Chassis Output Connections
If two or more MX chassis are used to form a single power system, the outputs of all chassis
need to be combined (paralleled by phase). This can be done directly at the EUT if convenient or
using the provided heavy-duty terminal blocks. Two blocks are provided with multi-chassis MX
systems, one 2-position block and one 3-position block. These blocks allow up to four wires to be
combined into one larger wire gauge size wire. The outputs of the 2 or 3 MX chassis are
connected on one side of these blocks (Phase A,B and C into the 3 position terminal and the
neutral into the 2 position terminal.). The EUT can be connected to the other side. Note that the
wire size to the EUT should be sized up to accommodate the double or triple currents per phase.
The dimensions of the supplied terminal blocks are shown in Figure 3-14.
Note that even if the EUT is a three-phase delta input, the output neutrals of the MX chassis'
must be connected together for the system to work correctly.
Figure 3-14: Ship kit Terminal Block dimensions

Table of Contents

Related product manuals