EasyManua.ls Logo

Calorex aa300 - Circuit Diagrams

Calorex aa300
46 pages
Print Icon
To Next Page IconTo Next Page
To Next Page IconTo Next Page
To Previous Page IconTo Previous Page
To Previous Page IconTo Previous Page
Loading...
Page 18
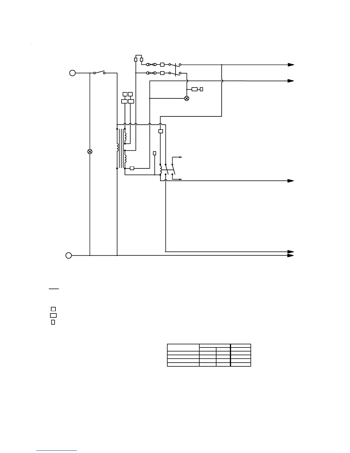
ELECTRICAL CONTROL & POWER CIRCUIT ‘AA VERSION
2.5 CIRCUIT DIAGRAMS
9
6
SEE FAN POWER CIRCUIT BELOW
SEE FAN POWER CIRCUIT BELOW
CONTROL MCB
L1
MAINS
LAMP
N
12V AC
240V
TRANSFORMER
F1 2.5A
F2 1A
R1
10
11
7
4
12v 12v
P7 P6
HUMIDITY
SENSOR
12V AC
5
REMOTE ON/OFF
ON/OFF
SWITCH
CONTROL
POWER LAMP
4
6A
4A
16A
FAN MCB' S COMP MCB
MODEL
AA300AVHF LPHW
HIGH DEVICE VALUELOW
LINK FOR NORMAL RUN (BREAK TO STOP M/C)
'R' LETTER RELAY'S ARE 12v
'RE' LETTER RELAY'S ARE 230v
'P' LETTERS ARE CONNECTOR BLOCK PIN NUMBERS
NOTES
D25 = 25 WAY 'D' PLUG PIN NUMBERS
D= DELAY TIMER
15 = DIN RAIL MOUNTED TERMINAL BLOCK NUMBERS
2 ISOLATE LOW SPEED FAN CIRCUIT BREAKER
WHEN REMOTE SENSORS KIT IS FITTED
D604450
CIRCUIT DIAGRAM
AA300AVHF
R03
R0
4
R0
5
R02
R01
D2
D1
D3
D4
8
9D17

Related product manuals