EasyManua.ls Logo

Calorex aa300 - Page 34

Calorex aa300
46 pages
Print Icon
To Next Page IconTo Next Page
To Next Page IconTo Next Page
To Previous Page IconTo Previous Page
To Previous Page IconTo Previous Page
Loading...
Page 32
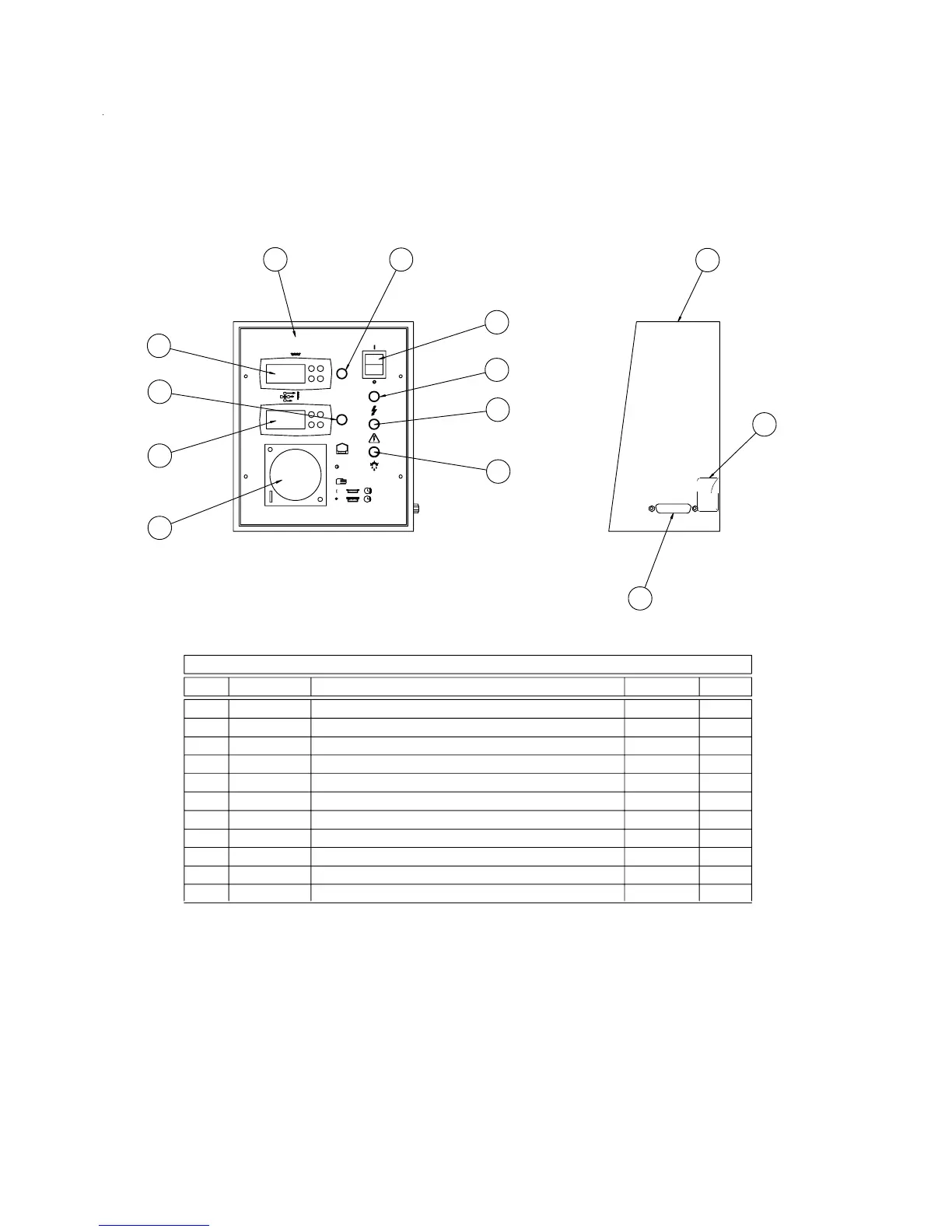
CONSOLE ASSY AA300AVHF WITH LPHW FITTED
SA607702
ITEM PART No. DESCRIPTION
QUAN UNITS
001 SD607501 CONSOLE BOX
1.00 off
002 SD607651 CONSOLE PANEL
1.00 off
003 SD432451 THERMOSTAT HUMIDITY
1.00 off
004 SD432555 AIR STAT (4 STAGE)
1.00 off
005 SD151554 TIME CLOCK 24Hr 12V AC
1.00 off
006 SD318650 SWITCH ROCKER 2 POLE
1.00 off
007 SD470350 PILOT LIGHT RED 12V AC
3.00 off
008 SD470352 PILOT LIGHT YELLOW 12V AC
2.00 off
009 A607902 LOOM ASSY (CONSOLE)
1.00 off
011 SD163352 TERMINAL BLOCK
1.00 off
ºC
=
=
%
=
AUTO
2
7
6
7
8
8
5
4
7
3
9
11
1

Related product manuals