EasyManua.ls Logo

Calorex aa300 - Page 39

Calorex aa300
46 pages
Print Icon
To Next Page IconTo Next Page
To Next Page IconTo Next Page
To Previous Page IconTo Previous Page
To Previous Page IconTo Previous Page
Loading...
Page 37
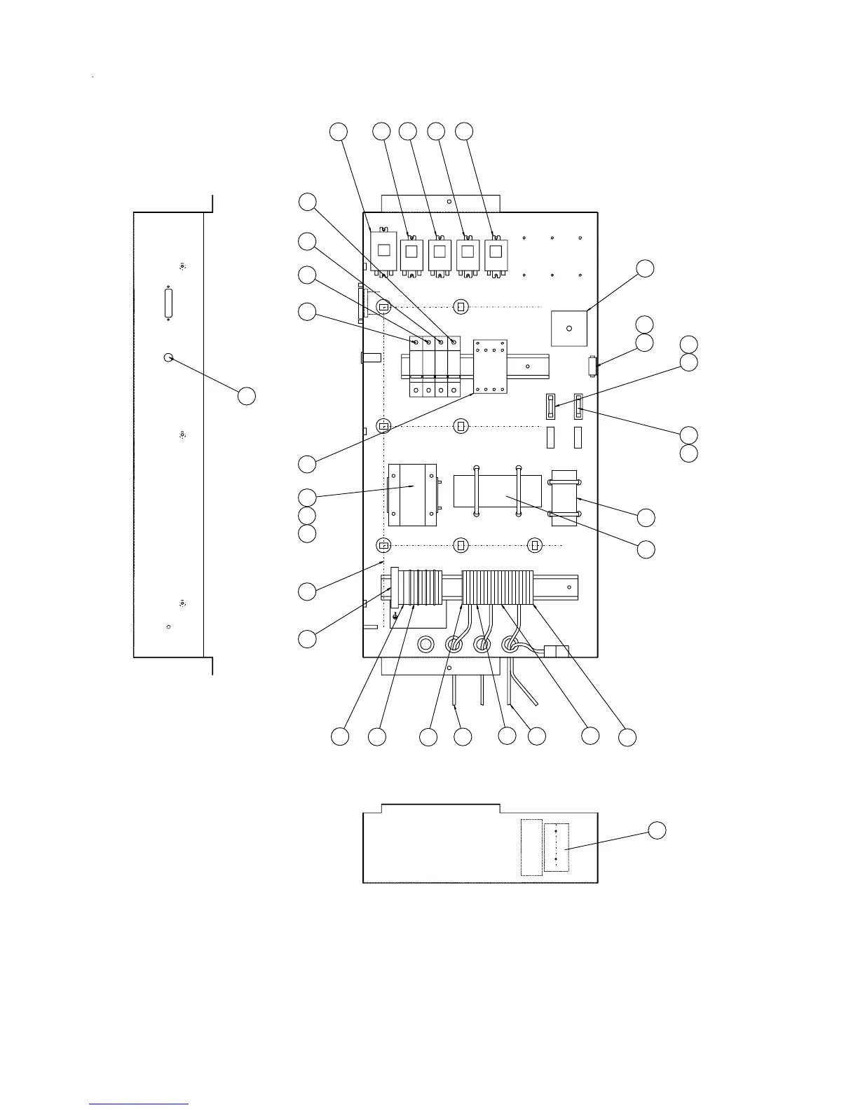
AA300AVH(F) ELECTRIC BOX ASSEMBLY
25
P3P2P1 P4 P5 P6 P7
26
2, WIRING DIAGRAM D604450
REMOTE OVERRIDE
SW I T C H
REMOTE ON/OFF
(12V)
N L
BOILER
DEMAND
REMOTE POWER
INDICAT ER (12V)
F1 2.5A
F2 1.0A
COMP
FAN H
FAN L
CONT
A1
A2
12
3
4
5
6
21 22
COMP
CONT
RE1
R1 R2 R3 R4
45 67 89
10
11
TERMINALS 12 TO 31
4
5
6
7
8
10
11
12 12
14
15
16
9
17
TERMINAL 15
18 19 18 18
20
21
21
22
23
27
11 13
FLYING LEAD FROM FAN
28
29
TERMINAL 22
48
22
23
8
2
18
30

Related product manuals