EasyManua.ls Logo

Cameron 288A - Page 13

Default Icon
56 pages
Print Icon
To Next Page IconTo Next Page
To Next Page IconTo Next Page
To Previous Page IconTo Previous Page
To Previous Page IconTo Previous Page
Loading...
13
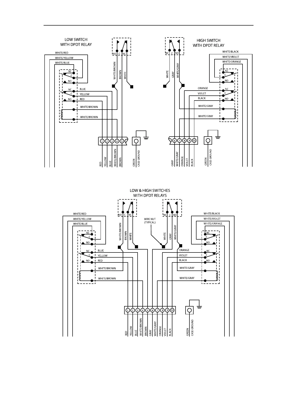
Model 288A Differential Pressure Indicating Switch Section 2
Figure 2.6—Low/high switch(es) w/DPDT relay(s) diagrams
(current confi guration color codes - see Table 2.1, page 8)