EasyManua.ls Logo

Cameron Barton 199 - Outline Dimension Drawings

Default Icon
32 pages
Print Icon
To Next Page IconTo Next Page
To Next Page IconTo Next Page
To Previous Page IconTo Previous Page
To Previous Page IconTo Previous Page
Loading...
3
1
SECTION 6 - OUTLINE DIMENSION DRAWINGS
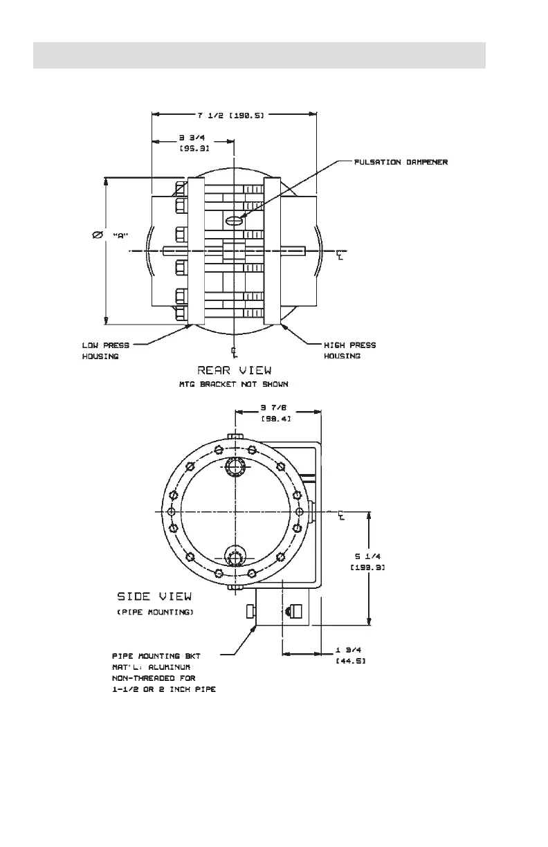
Figure 6-1. 199 DPU Dimension Drawing (Part 1 of 2)
30

Related product manuals