EasyManua.ls Logo

Camp Chef PG24MZG - Page 13

Camp Chef PG24MZG
28 pages
Print Icon
To Next Page IconTo Next Page
To Next Page IconTo Next Page
To Previous Page IconTo Previous Page
To Previous Page IconTo Previous Page
Loading...
White
Black
4A 125V
4 amp 125V
5 x 20 MM
Fast Blow Fuse
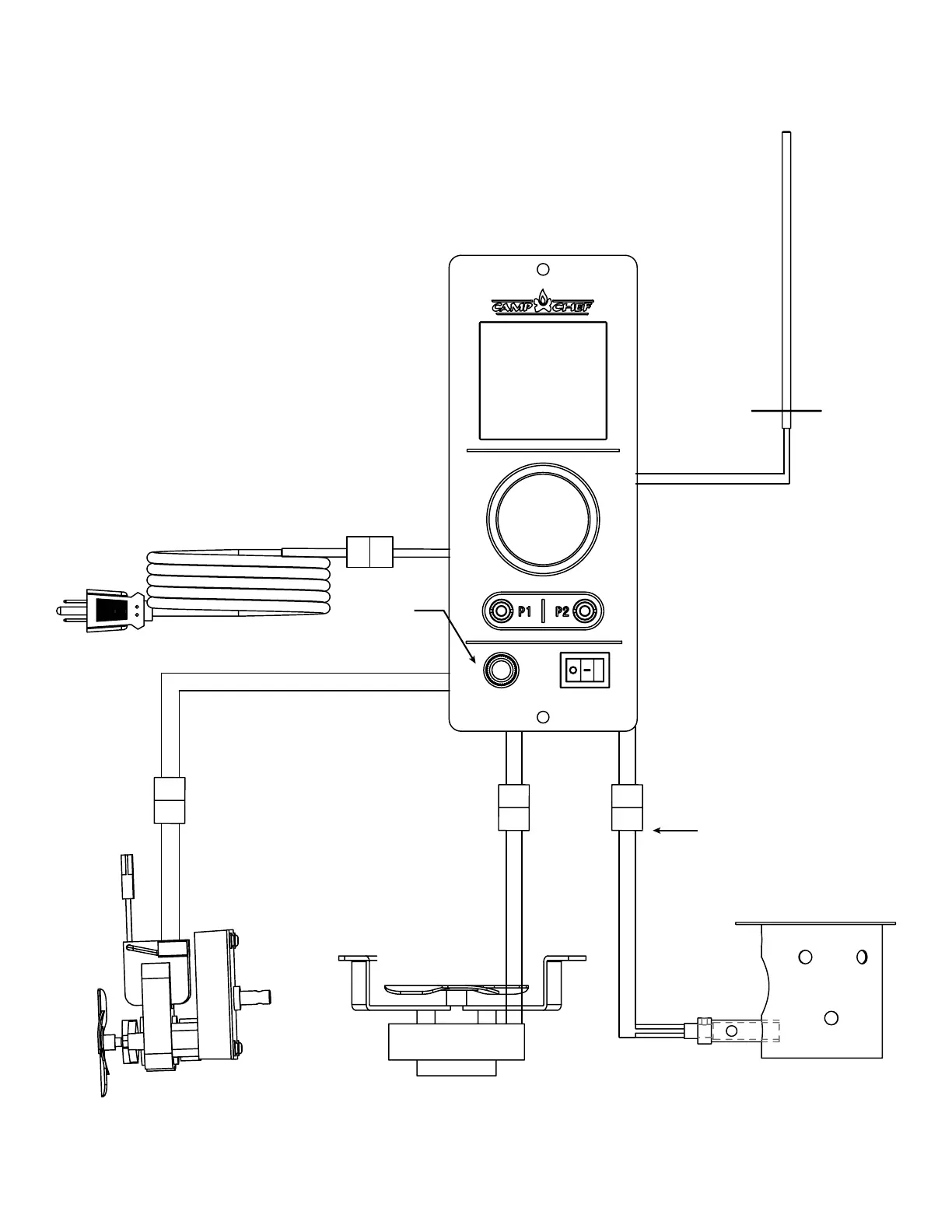
Auger Motor Blower Fan
Burner
Controller
RTD Sensor
Power Cord
White
Red
White
Orange
White
Purple
Hot Rod
MOLEX Connector

Related product manuals