EasyManua.ls Logo

Canon Multi Function Professional Puncher-B1 - Page 120

Canon Multi Function Professional Puncher-B1
128 pages
Print Icon
To Next Page IconTo Next Page
To Next Page IconTo Next Page
To Previous Page IconTo Previous Page
To Previous Page IconTo Previous Page
Loading...
120
CHI
Multi Function Professional Puncher B1
LCD
控制面板信息 (模式设置)
12. 关门
冲孔机前门打开或未完全关闭时,LCD 显示屏上提示此信息。
13. 卡纸
纸”一节了解如何取出卡住纸张。
LCD
显示屏上更改设置
1. 模式
线/线 /关闭
REG.ACCURACY,并改善压线的位置和精度。 然而,在这一模式下,
即便不插入压线模具,系统生产效率业可能下降。
只有维修设置打开冲孔模式设置,才能显双冲孔模
如果没有显示双冲孔模式,请联系您的授权经销商启用双冲孔。
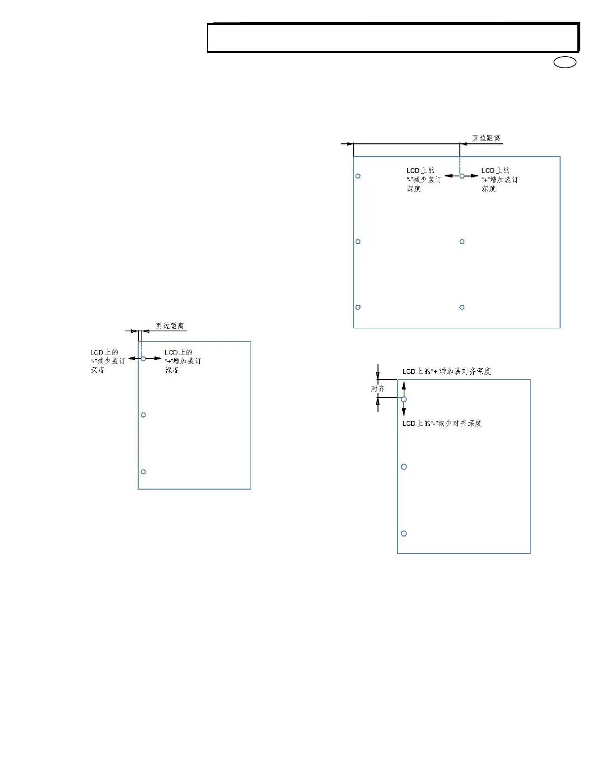
2. 标尺深度设置
后标尺用于设置冲孔与纸张边缘的距离,该距离可通过“Settings
(设置进行整(主屏下上键,OK(确认)进行
设置)。
按上箭头增大后标尺深度;按下箭头减小后标尺深度。
MID - L MID - XL
距离。MID L MID XL 功能与常规页边距离相同,但调节中间打孔位置
MID L 调节 SEF letter SEF A4 的页边距离,而 MID XL 调节 SEF
11x17 A3 的页边距离。
当插入折痕模时,页边距离深度选项包括:
1
折痕中心

Table of Contents

Related product manuals