EasyManua.ls Logo

Carefree Eclipse - Wiring Diagram - Direct Response after July 2010

Default Icon
41 pages
Print Icon
To Next Page IconTo Next Page
To Next Page IconTo Next Page
To Previous Page IconTo Previous Page
To Previous Page IconTo Previous Page
Loading...
ECLIPSE Service Manual Carefree of Colorado
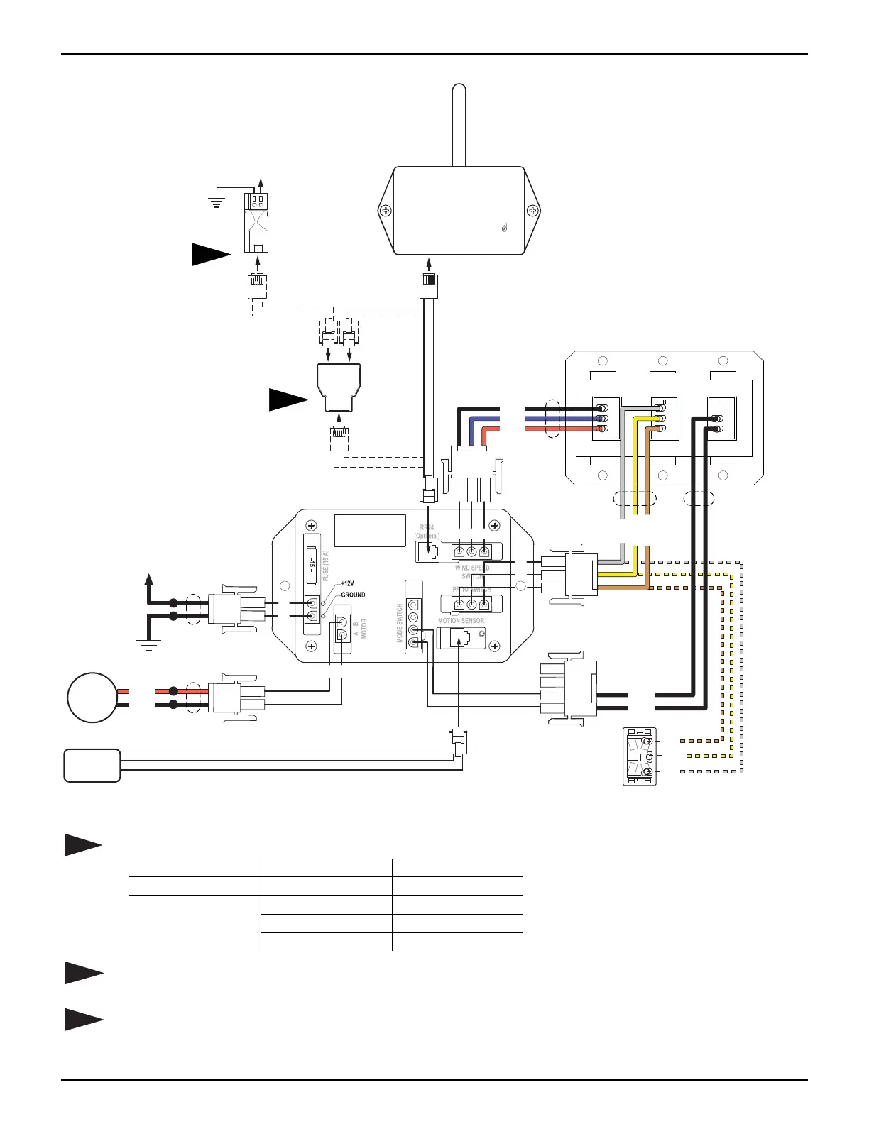
WIRING DIAGRAM - DIRECT RESPONSE AFTER JULY 2010
28 052547-301r7
Carefree of Colorado
12V DIRECT RESPONSE
CONTROL BOX
PART NO. 060574-003
14 15 16
11
12
13
TO
EYE PORT
on RP24
Program
Mode
Press to Learn
Transmitter
UP
RF Reciever
+12VDC
Ground
Motion
Sensor
5
6
7
8
1
2
BA
M
DR005c
Control
Box
Ignition Switched
+12VDC
12VDC
Ground
Splitter
2
1
Ignition
Lockout
Sensor
(Optional)
On/Off
Black
Red
Blue
Gray
Brown
Yellow
Black
Black
Red
Black
Additional Extend/Retract Switch
Brown
Gray
Yellow
Ext
Ret
Com
Motion
Extend/
Retract
N
OTES:
1
Early versions of the Eclipse Exterior Switch cable may have different wire colors.
Current Color Previous Color
Jacket Color: Black or White Gray
Brown Black1
Wire Colors: Gray Black2
Yellow Yellow/Green
2
Splitter is used only when the optional Lock-Out Sensor is installed. Connect the RF receiver
directly to the control box if Lock-Out is not installed.
3
The optional Lock-Out Sensor can only be used with control boxes marked "060574-003".
Wires for the sensor are not pin specific.

Other manuals for Carefree Eclipse

Related product manuals