EasyManua.ls Logo

Carlisle BINKS E4-100 - Page 23

Carlisle BINKS E4-100
36 pages
Print Icon
To Next Page IconTo Next Page
To Next Page IconTo Next Page
To Previous Page IconTo Previous Page
To Previous Page IconTo Previous Page
Loading...
EN
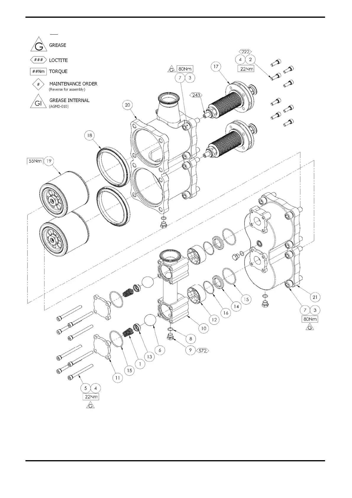
KEY
(Reverse for assembly)
LOCTITE
TORQUE
MAINTENANCE ORDER
GREASE INTERNAL
(AGMD-010)
GREASE
77-3330 R1.3 23/36 www.carlisleft.com

Related product manuals