EasyManua.ls Logo

Carlton SP5014TRX - Page 77

Carlton SP5014TRX
160 pages
Print Icon
To Next Page IconTo Next Page
To Next Page IconTo Next Page
To Previous Page IconTo Previous Page
To Previous Page IconTo Previous Page
Loading...
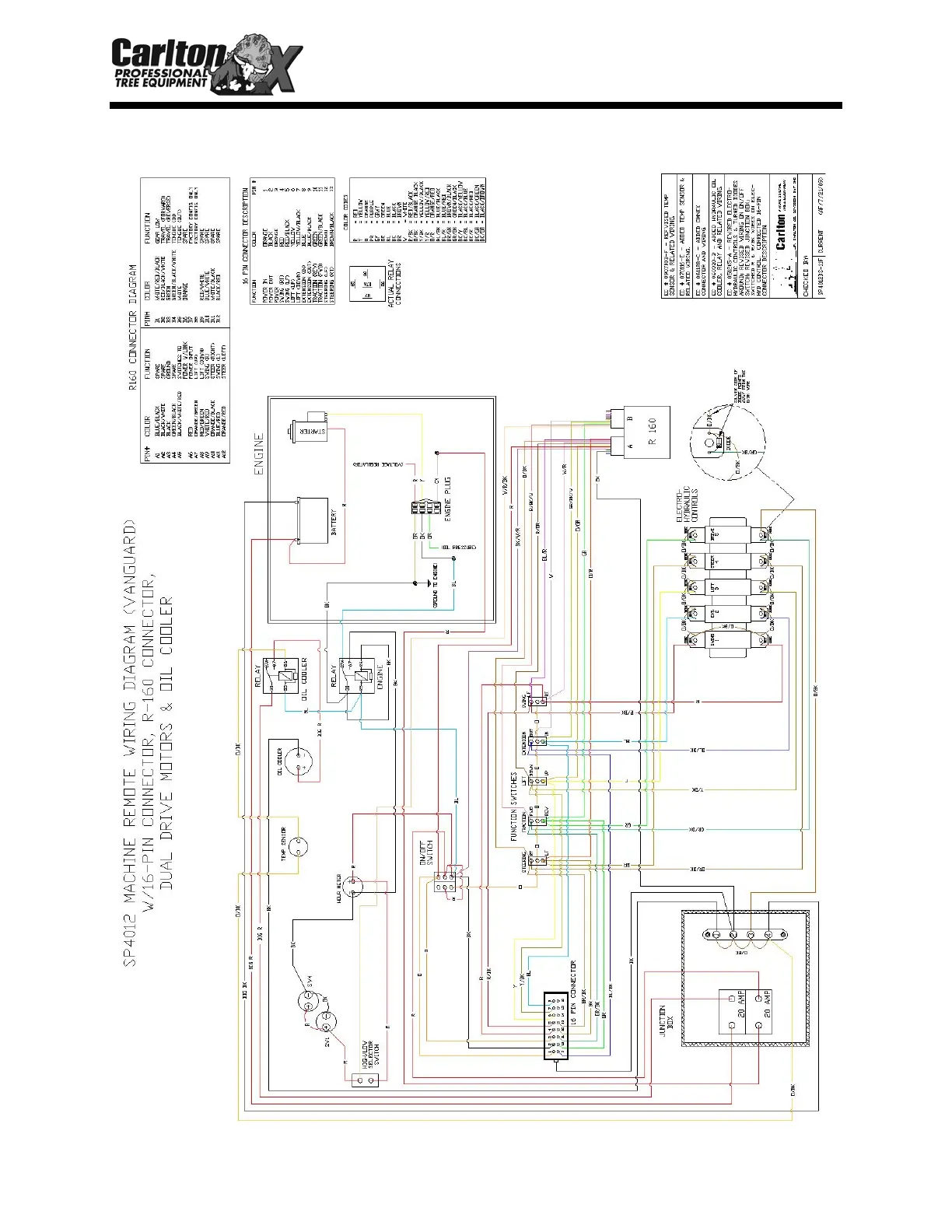
SP5014TRX MACHINE WIRING
57
RADIO WIRING DIAGRAM

Table of Contents