EasyManua.ls Logo

Carrier 40UV - Page 44

Carrier 40UV
72 pages
Print Icon
To Next Page IconTo Next Page
To Next Page IconTo Next Page
To Previous Page IconTo Previous Page
To Previous Page IconTo Previous Page
Loading...
44
The valve type is identified by the first digit of the two-digit
control code number. In Table 18, the water valve type is
shown for each unit depending on coil capacity.
For pressure drops other than those tested, see Table 19. See
Tables 20 and 21 for close-off pressure.
Table 18 Factory-Supplied Water Valves
LEGEND
DX Direct Expansion
CONTROL SEQUENCE APPLICATION VALVE APPLICATION NORMAL POSITION
2A/3A Chilled/Hot Water (Modulating Valve) Control Chilled Water/
Hot Water
Open
2B/3B Chilled Water Cooling, Hot Water
or Steam Heating
Chilled Water
Hot Water/Steam
Closed
Open
2D/3D Chilled Water Cooling, Electric Heat Chilled Water Open
2F/3F Hot Water or Steam Heating Only Hot Water/Steam Open
2G/3G Hot Water or Steam Heating, DX Cooling Hot Water/Steam Open
2J/3J Chilled Water Cooling Only Chilled Water Open
2K/3K Face and Bypass Chilled Water Cooling
with Valve Control Heating
Chilled Water
Reheat
Closed
Open
2M/3M Face and Bypass Chilled Water Cooling
with Valve Control Reheat
Chilled Water
Reheat
Preheat
Closed
Closed
Open
20/30 Chilled Water/Hot Water Using Face
and Bypass Damper Control
Chilled Water/
Hot Water
Open
21/31 Chilled Water Cooling, Hot Water or
Steam Heating
Chilled Water
Hot Water/Steam
Closed
Open
22/32 Chilled Water Cooling, Electric Heat Chilled Water Open
23/33 Hot Water or Steam Heating, DX Cooling Hot Water/Steam Open
24/34 Hot Water or Steam Heating Only Hot Water/Steam Open
25/35 Chilled Water Cooling Only Chilled Water Open
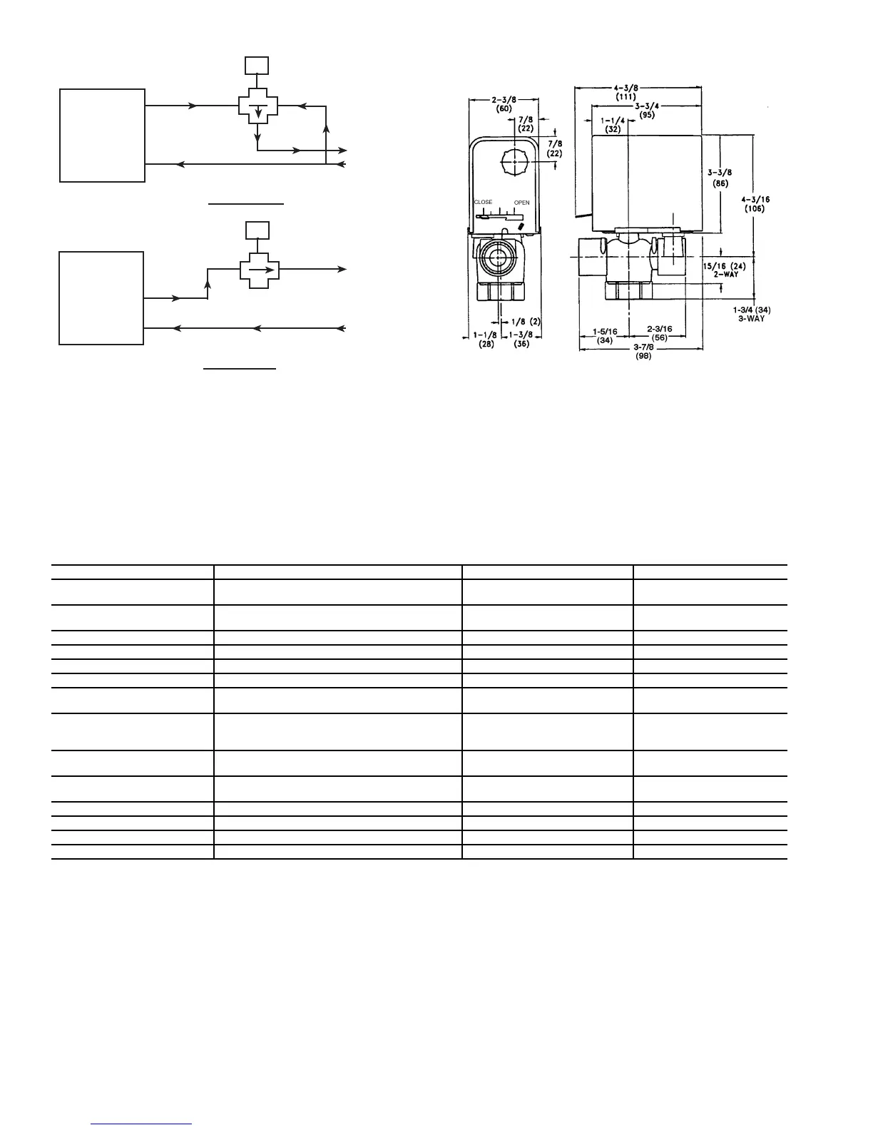
NOTE: Dimensions are in inches (mm).
Fig. 34 Water Valve Dimensions
(Modulating Type)
A
B
RETURN
SUPPLY
AB
RETURN
SUPPLY
WATER
COIL
WATER
COIL
3-WAY VALVE
2-WAY VALVE
COM
Fig. 33 Typical Piping for Spring Return
2-Way and 3-Way Mixing Valves

Table of Contents

Other manuals for Carrier 40UV

Related product manuals