EasyManua.ls Logo

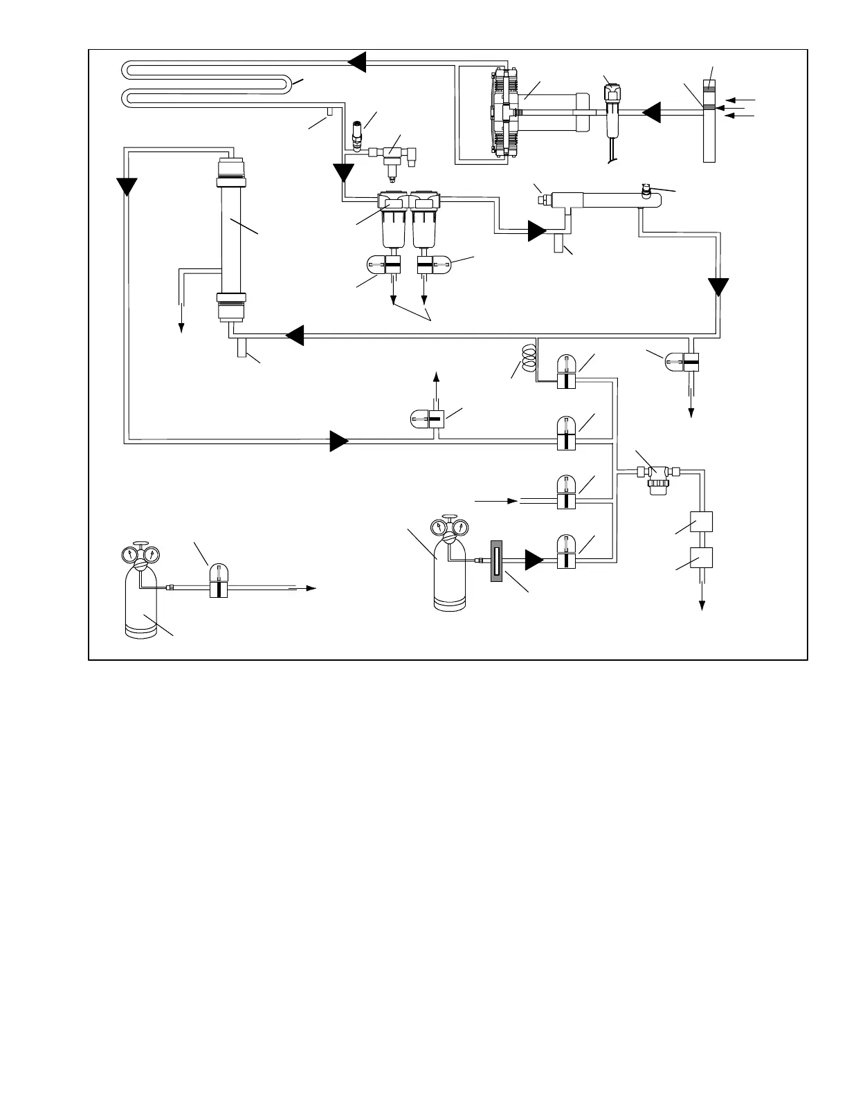
Carrier 69NT40-489-100 Series - Figure 62. Controlled Atmosphere System - Flow Circuit

Carrier 69NT40-489-100 Series
178 pages
To Next Page IconTo Next Page
To Next Page IconTo Next Page
To Previous Page IconTo Previous Page
To Previous Page IconTo Previous Page
Loading...
97
T-305
Outside
Air
Water Drains
Outside Container
Container
Air Sample
Nitrogen Discharged
Inside Container
Unwanted Gases
Discharged
Outside Container
Carbon Dioxide
Discharged
Inside Container
Air Discharged
Inside Container
1. Pressure (Breather) Relief Valve
2. Air intake Filter
3. Accumulator
4. Air Compressor Motor
5. Condensing Line
6. Pressure Port (Shrader Valve)
7. Pressure Relief Valve
8. Pressure Regulating Valve
9. Air Filter Assembly
10. Drain Solenoid Valve #1 (DSV1)
11. Drain Solenoid Valve #2 (DSV2)
12. Membrane Pressure Transducer (MPT)
13. Air Heater
14. High Air Temperature Switch (HTS)
15. Nitrogen Membrane Seperator
16. Membrane Temperature Sensor (MTS)
17. Nitrogen Purity Solenoid Valve (NPV)
18. Air Sample Capillary
19. Air Calibration Solenoid Valve (ASV)
20. Nitrogen Sample Solenoid Valve (NSV)
21. Sample Air Solenoid Valve (SAV)
22. Gas Calibration Solenoid Valve (GSV)
23. Oxygen Solenoid Valve (OSV)
24. Sensor Filter Assembly
25. Carbon Dioxide Sensor (COS)
26. Oxygen Sensor (OS)
27. Flow Meter
28. Calibration Gas Cylinder
29. Carbon Doixide Solenoid Valve (CSV)
30. Carbon Dioxide Cylinder
1
2
3
45
6
7
8
9
10
11
12
13
14
23
16
15
17
18
19
20
21
22
25
26
27
28
24
29
30
Drain
Figure 62. Controlled Atmosphere System -- Flow Circuit

Table of Contents

Related product manuals