EasyManua.ls Logo

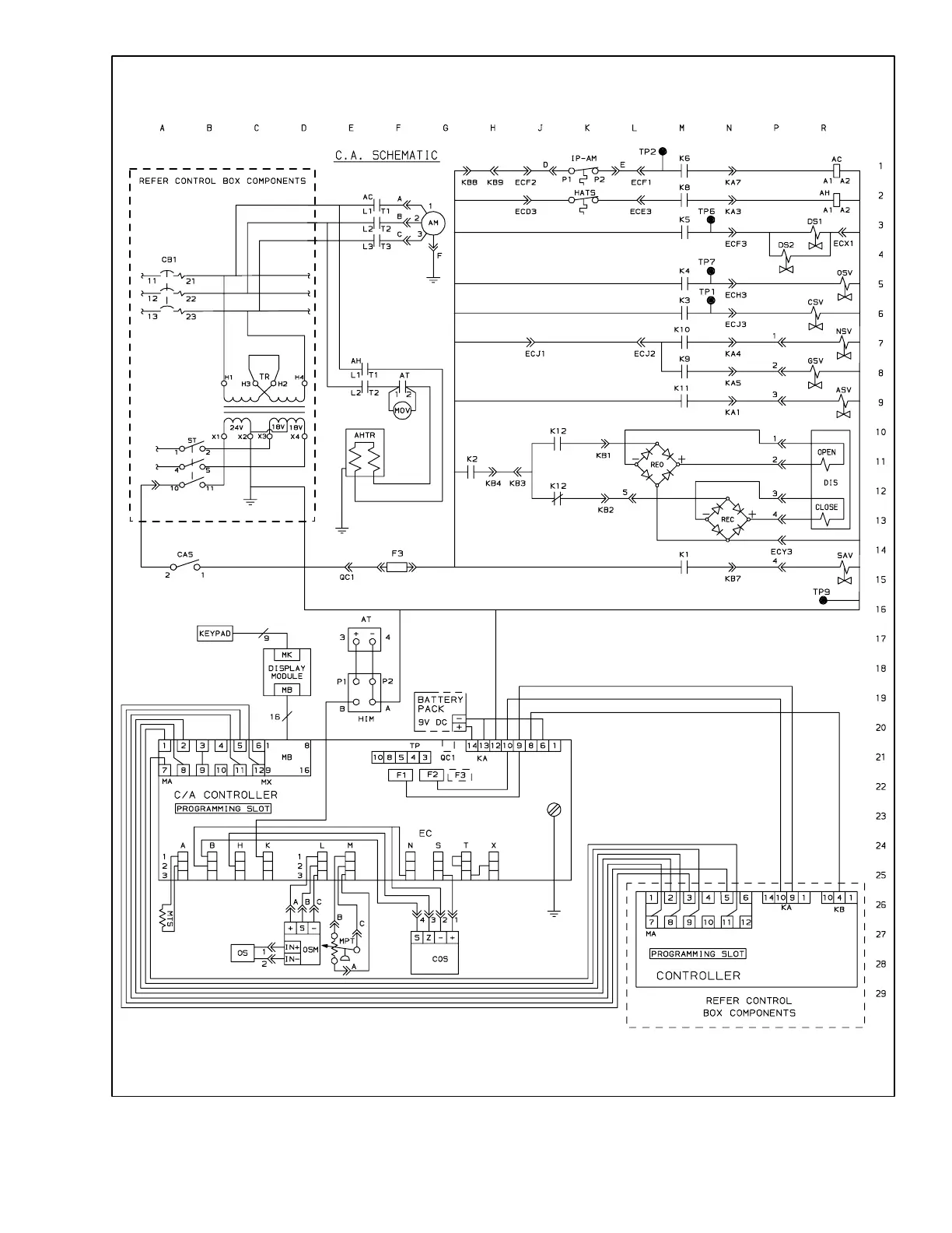
Carrier 69NT40-489-100 Series - Figure 92. Electrical Schematic

Carrier 69NT40-489-100 Series
178 pages
To Next Page IconTo Next Page
To Next Page IconTo Next Page
To Previous Page IconTo Previous Page
To Previous Page IconTo Previous Page
Loading...
147
T-305
Based on drawing 62--10367 Rev --
Figure 92. Electrical Schematic
(U
nits not modified to include the N
2
Purity Solenoid Valve.)

Table of Contents

Related product manuals