EasyManua.ls Logo

Carrier 69NT40-489-100 Series - Figure 18. Perishable Mode; Figure 19. Perishable Mode Heating; Sequence of Operation - - Perishable Mode Cooling; Sequence of Operation - Frozen Mode - Cooling

Carrier 69NT40-489-100 Series
178 pages
To Next Page IconTo Next Page
To Next Page IconTo Next Page
To Previous Page IconTo Previous Page
To Previous Page IconTo Previous Page
Loading...
T-305 50
CONTROL TRANSFORMER
POWER TO
CONTROLLER
SIGNAL TO
CONTROLLER
SIGNAL TO
CONTROLLER
ENERGIZED
DE--ENERGIZED
FOR FULL DIAGRAM AND
LEGEND, SEE SECTION 13
NOTE: HIGH SPEED EVAPORATOR FAN SHOWN. FOR LOW SPEED
CONTACT TE IS DE--ENERGIZED AND CONTACT TV IS ENERGIZED
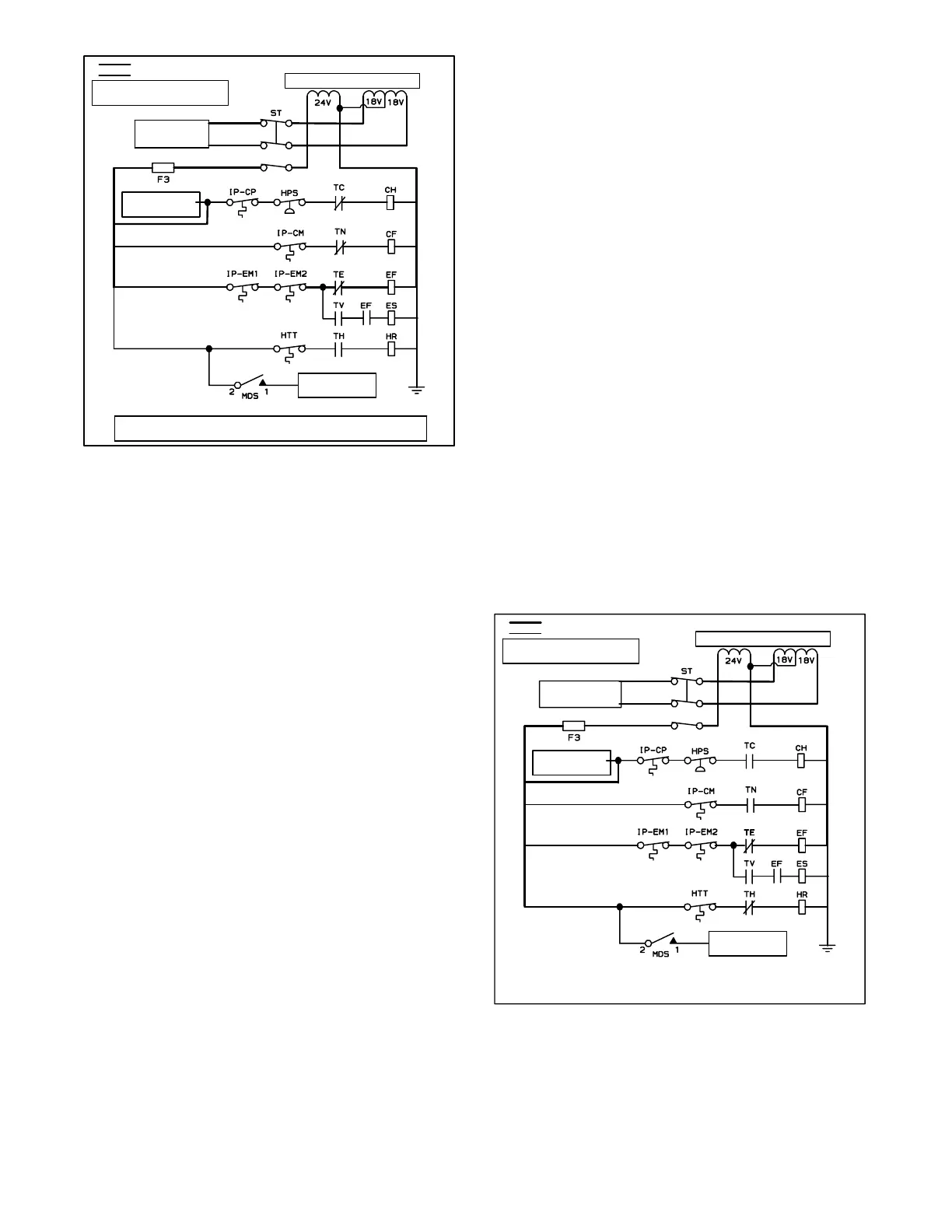
Figure 18. Perishable Mode
4.10.1 Sequence Of operation -- Perishable Mode
Cooling
NOTE
In the Conventional Perishable Mode of opera-
tion the evaporator motors run in high speed. In
the Economy Perishable Mode the fan speed is
varied.
NOTE
In low temperature ambients the condenser fan
will be cycled by the controller to maintain prop-
er condensing pressure.
a. With supply air temperature above set point and de-
creasing, the unit will be cooling with the condenser
fan motor (CF), compressor motor (CH), evaporator
fan motors (EF) energized and the COOL light illumi-
nated. (See Figure 18.)
b. When the air temperature decreases to a predeter-
mined tolerance above set point, the in-range light is
illuminated.
c. As the air temperature continues to fall, modulating
cooling starts at approximately 2.5_C(4.5_F) above
set point. (See Figure 16)
d. The refrigeration controller monitors the supply air.
Once the supply air falls below set point and 0% SMV
position is reached, the controller periodically records
the supply air temperature, set point and time. A cal-
culation is then performed by subtracting the set point
reading from the supply air and multiplying the result
by the time reading. The result is negative number.
e. When the calculation reaches --250, contacts TC and
TN are opened to de-energize compressor and con-
denser fan motors. The cool light is also de-ener-
gized.
f. The evaporator fan motors continue to run to circulate
air throughout the container. The in-range light re-
mains illuminated as long as the supply air is within
tolerance of set point.
g. When the supply air temperature increases to 0.2_C
(0.4_F) above set point and the three minute off time
has elapsed, relays TC and TN are energizes to re-
start the compressor and condenser fan motors. The
cool light is also illuminated.
4.10.2 Sequence Of Operation --
Perishable Mode Heating
NOTE
The unit will heat only when in the Perishable
Mode, relay TH is electronically locked out
when in the Frozen Mode.
a. If the air temperature decreases 0.5_C(0.9_F) below
set point, the system enters the heating mode. (See
Figure 16). The controller closes contacts TH (see
Figure 19) to allow power flow through the heat ter-
mination thermostat (HTT) to energize the heaters
(HR). The HEAT light is also illuminated. The evapo-
rator fans continue to run to circulate air throughout
the container.
b. When the temperature rises to 0.2_C(0.4_F) above
set point, contact TH opens to de--energize the heat-
ers. The HEAT light is also de--energized. The evapo-
rator fans continue to run to circulate air throughout
the container.
c. A safety heater termination thermostat (HTT), at-
tached to an evaporator coil support, will open the
heating circuit if overheating occurs.
CONTROL TRANSFORMER
POWER TO
CONTROLLER
SIGNAL TO
CONTROLLER
SIGNAL TO
CONTROLLER
ENERGIZED
DE--ENERGIZED
FOR FULL DIAGRAM AND
LEGEND, SEE SECTION 13
Figure 19. Perishable Mode Heating
4.10.3 Sequence Of Operation -- Frozen Mode
Cooling
NOTES
1. In the Frozen Mode of operation the
evaporator motors run in low speed.

Table of Contents

Related product manuals