EasyManua.ls Logo

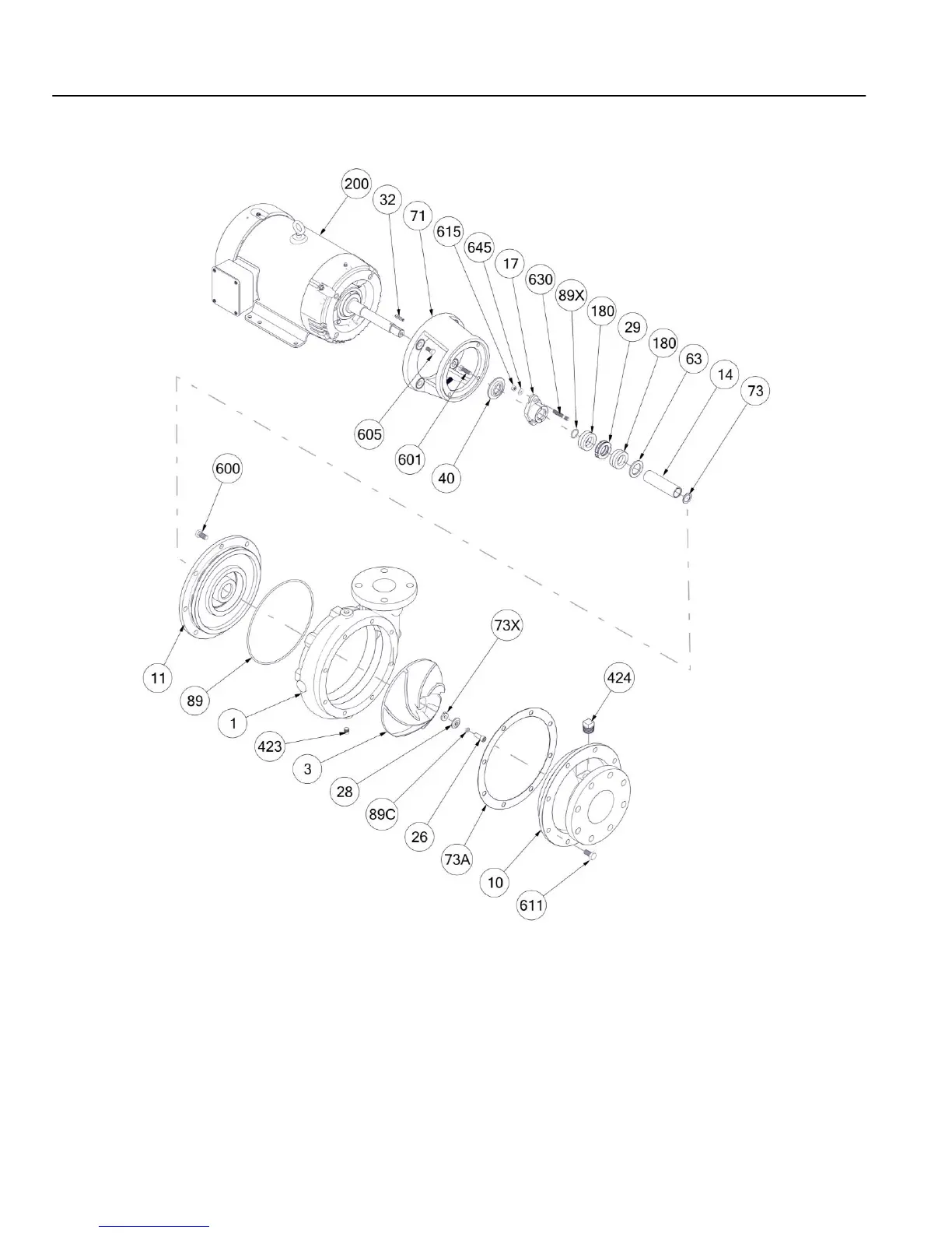
Carver Pump GH - Exploded View - Close-Coupled (Shown with Packing)

Default Icon
38 pages
Print Icon
To Next Page IconTo Next Page
To Next Page IconTo Next Page
To Previous Page IconTo Previous Page
To Previous Page IconTo Previous Page
Loading...
I-120
GH Pump 120 16.02.EN
30
Figure 10. Exploded View Close-Coupled (Shown with Packing)
NOTE
The following item is not shown:
131A Splash Guard, Intermediate

Table of Contents

Related product manuals