EasyManua.ls Logo

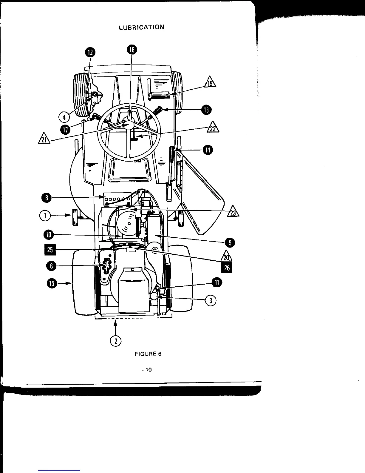
Case 80 - Lubrication; Lubrication Guide

Case 80
58 pages
Print Icon
To Next Page IconTo Next Page
To Next Page IconTo Next Page
To Previous Page IconTo Previous Page
To Previous Page IconTo Previous Page
Loading...

Related product manuals