EasyManua.ls Logo

CEA MATRIX 2200 E - Esquema Eléctrico Topográfico; Elektriskt Topografiskt Schema; Sähkökaava; Elektrotopografisk Skjema

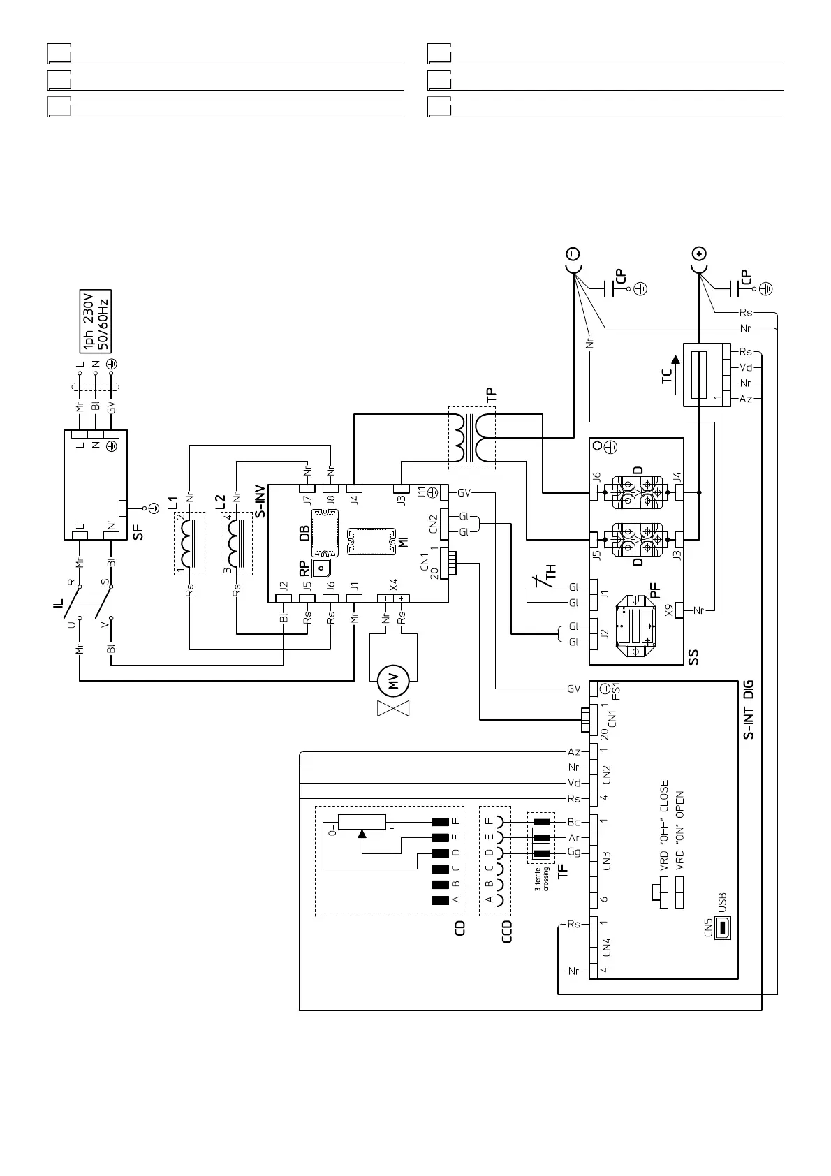
CEA MATRIX 2200 E
Print Icon
To Next Page IconTo Next Page
To Next Page IconTo Next Page
To Previous Page IconTo Previous Page
To Previous Page IconTo Previous Page
Loading...
64
PT
Esquema eléctrico topográfico
SV
Elektriskt topografiskt schema
FI
Sähkökaava
N
Elektrotopografisk skjema
EL
Ηλεκτρικών ιαγραμμάτω
RU
Схема электрическая
2101EA25

Table of Contents

Related product manuals