EasyManua.ls Logo

CEFLA VENUS PLUS - Page 19

CEFLA VENUS PLUS
24 pages
Print Icon
To Next Page IconTo Next Page
To Next Page IconTo Next Page
To Previous Page IconTo Previous Page
To Previous Page IconTo Previous Page
Loading...
19
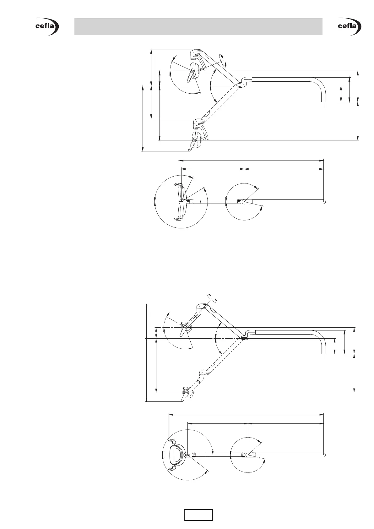
25°
25°
851
675
167°
137°
212°
116°
1546
171
262
330409
159
25°
110°
580
352 389
699
45°
40°
850
675
137°
1740
170
260
295
410
125
610
390
710
45°
40°
167°
82°
82°
30°
110°
142°
180°
EN
OPERATOR’S MANUAL
VENUS PLUS
E version
VENUS PLUS
MCT version

Related product manuals