EasyManua.ls Logo

Central Pneumatic 97080 - Assembly Diagram

Central Pneumatic 97080
14 pages
Print Icon
To Next Page IconTo Next Page
To Next Page IconTo Next Page
To Previous Page IconTo Previous Page
To Previous Page IconTo Previous Page
Loading...
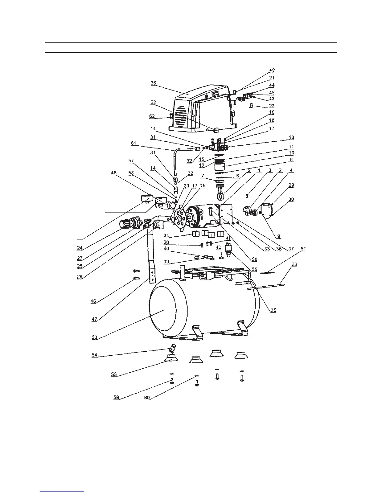
Page 13SKU 97080 For technical questions, please call 1-800-444-3353.
ASSEMBLY DIAGRAM
70
26

Related product manuals