EasyManua.ls Logo

Cessna 150J - Page 313

Cessna 150J
358 pages
Print Icon
To Next Page IconTo Next Page
To Next Page IconTo Next Page
To Previous Page IconTo Previous Page
To Previous Page IconTo Previous Page
Loading...
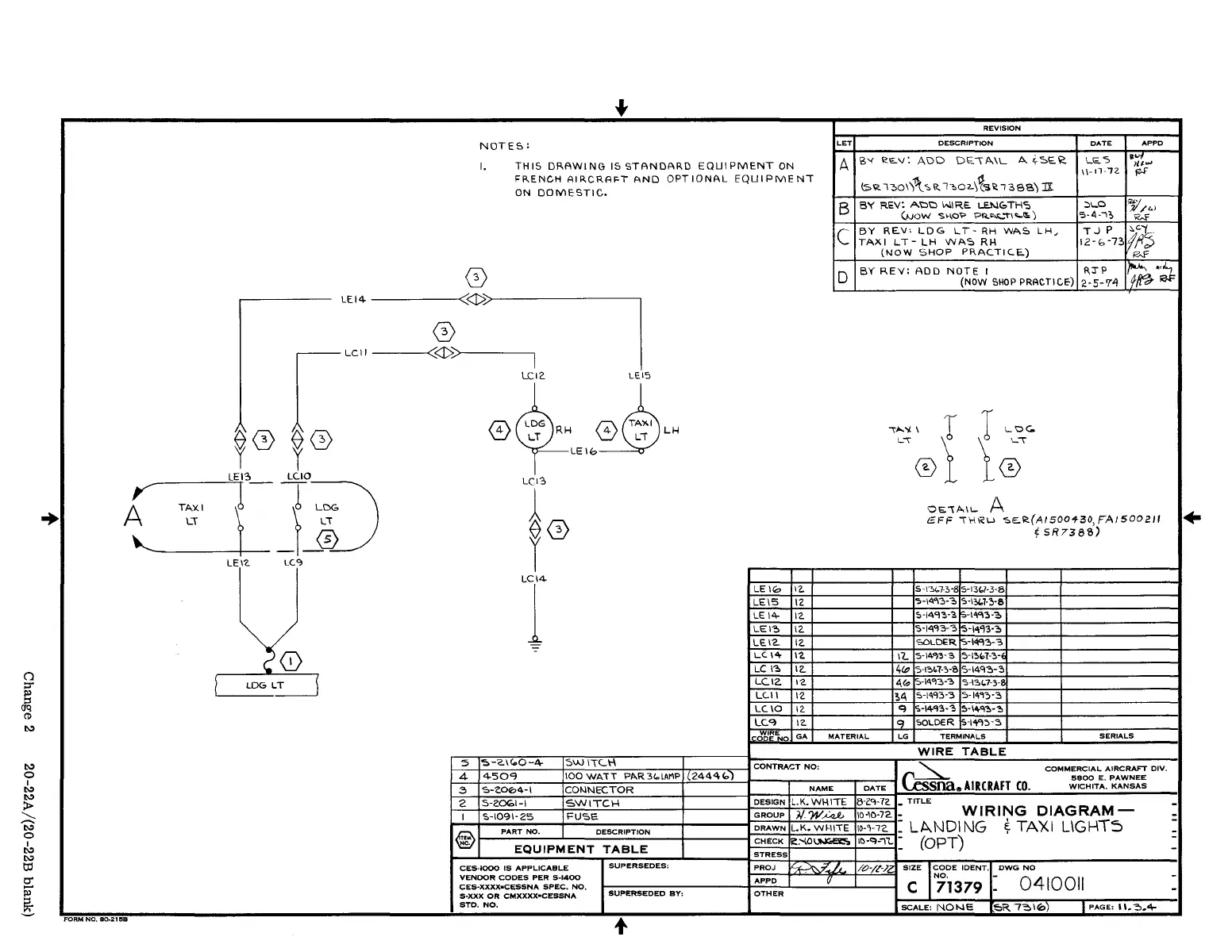
NOTES:
I.
(2)
THIS
DRAWING
IS
STANDARD
EQUIPMENT
ON
FRENCH
AIRCRAFT
AND
OPTIONAL
EQUIPMENT
ON
DOMESTIC.
LEI4-
----~<<I»>-------------,
LCI2.
LEI:'
~
r0.
'C./
LT
~
LT
LH
10
LEI€:>
REVISION
LET
DESCRIPTION
A IS"
Rt.v:
ADO
D~\ML
A.
4'::.ER
(:;,~
'~O\';\'SR
l"02..\~':I"'T38B):II
B
BY
REV:
AI:>l:> WIRE.
LENG.TH':>
(/Vow
"'''O?
P ....
"'''-"T\
...
<s.)
C
BY
REII,
LDG
LT-
RH
WAS
LH,
TAXI
LT-
LH
WAS
RH
(NOW
SHOP
PRACTIC.E.)
DATE
:>\..o
D
BY
REV:
ADD
NOTE
I
!\J"P
(NOW
SHOP
PRACTICE')
2-5-'74
APPD
f4\~DG
RH~
r:\AXI
{~_T~_I
-+I~
J & )
l0
Olioi,o.l\..
A
GFF
,I-\\CW
"SE.R.(A/500-fi30,FA/500Z"
1
SR738S)
lOG
LT
\
FORM
NO.
80-218B
T
CES-IOOO
IS
APPLICABLE
VENDOR
CODES
PER
5-1400
CES-XXXX.CESSNA
SPEC.
NO.
S-XXX
OR
CMXXXX-CESSNA
STD.
NO.
LEI,.,
1'2-
LEIS
12
LEI4-
1'2-
LE:I~
12.
LEla
12.
Lei'"
1'2-
LC
I~
12.
LCI2.
1'2.
LC.II
12-
LelO
12.
LCq
1'2.
WIRE
GA
MATERIAL
ODE
NO
Ii.
4'"
4«>
?4
q
q
LG
5-\3Q-3-8
5-1347-3-8
":>-1<1"13--:'
S-IOI.B·S
:'-149"'-:'
f->-I'\'I".-:'
S-1493-3
15-1'193-3
SOLDER.
ts-I'\'I3-3
S-I"~-:;
5-1%1-':'-E
S-I"'~1-3-e
':>-1493-3
p-I~'l3-3
S-13~7-3-e
S-I~q3-3
S-14~3-3
S-I"'93-3
:'-1"9"'-3
':>OLDER
~-1'I'l3-3
TERMINALS
WIRE
TABLE
SERIALS
COMMERCIAL.
AIRCRAFT
DIV.
5800
E.
PAWNEE
WICHITA.
KANSAS
DESIGN
LK.
WHITE
5-<:9-72. _ TITLE
GROUP
'1.?1/
~
10·\0-72.:
WIRING
DIAGRAM-
LA.NDI NG
~
TAXI LIGHTS
(OPT)
DRAWN
LK.
WHITE
lo-~-n.
_
CHECK
ii::-\O~
10-"'1--11.-
STRESS
t-::SU:;;P;;;E:;::R:;:;SE;:::D::E:;::S-:'
:::-
____
+-=:R=p~:::~::,...J~L-_.
_!.
v..u_-L"'_<?_-IC_-I.-I
l2
SeiZE
1~7g~lE317DE9NT.
=
DWG
5
0
4100
II
SUPERSEDED
BY:
OTHER
SCALE,
NONE
I
PAGE,
11-
~.+
-
-
-
-

Table of Contents

Related product manuals