EasyManua.ls Logo

Chigo CCB-12HR1 - Page 28

Chigo CCB-12HR1
177 pages
Print Icon
To Next Page IconTo Next Page
To Next Page IconTo Next Page
To Previous Page IconTo Previous Page
To Previous Page IconTo Previous Page
Loading...
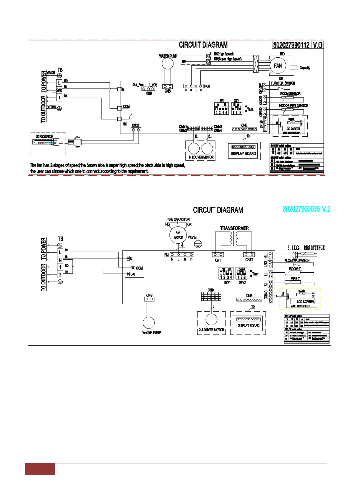
R410A50Hz Universal Outdoor Series Technical Manual 4 -way Cassette Indoor Unit
25
GD Chigo Heating & Ventilation Equipment Co., Ltd.
CCB-18CR1
CCA-18CR1
5.2 CCA-24HR1,CCA-36HR1