EasyManua.ls Logo

CHINT NVF2G Series - Page 24

CHINT NVF2G Series
116 pages
Print Icon
To Next Page IconTo Next Page
To Next Page IconTo Next Page
To Previous Page IconTo Previous Page
To Previous Page IconTo Previous Page
Loading...
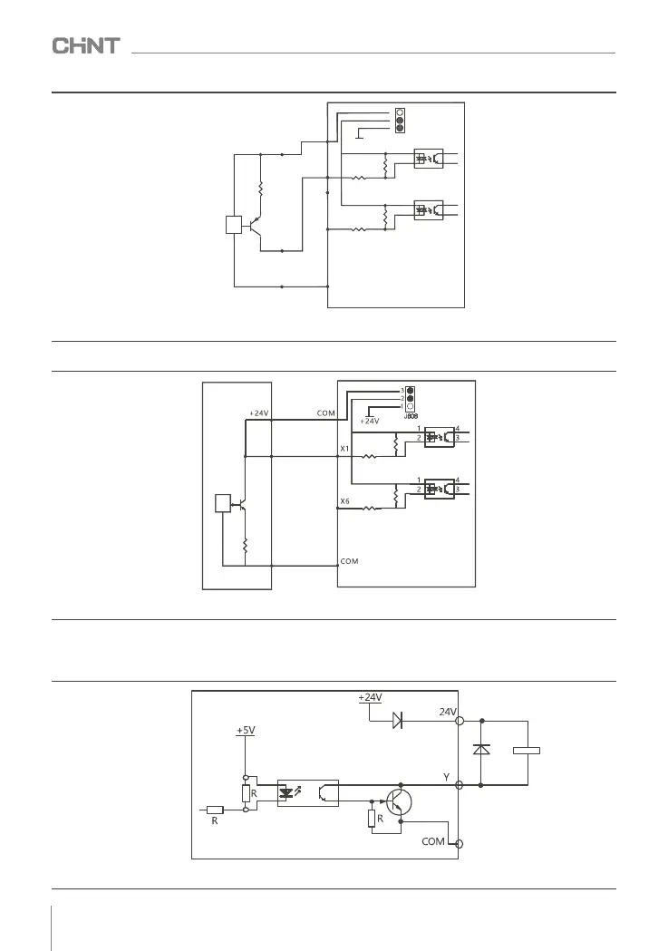
Figure 4.15 PNP type wiring diagram
   2) Sink wiring needs to short-circuit 2 - 3 of J606 . The specific wiring diagram is shown below.
4.4.2 Multi-function output terminal
   (1) The multifunctional output terminal Y1 can use the +24V power supply inside the inverter, and the
wiring method is shown in Figure 4.17.
Figure 4.16 NPN type wiring diagram
Relay
VFD
Figure 4.17 Multi-function output terminal wiring mode 1
016
NVF2G Series Inverter User's Guide
1
Signal
VFD
Outside Controller
0V
3
2
1
Signal
Outside Controller
VFD
3
2
1
J606
VCC
+24V
COM
0V
1
2
4
3
COM
X1
X6
1
2
4
3

Table of Contents

Related product manuals