EasyManua.ls Logo

Citizen CLP-8301 - System Setup Menu

Citizen CLP-8301
77 pages
Print Icon
To Next Page IconTo Next Page
To Next Page IconTo Next Page
To Previous Page IconTo Previous Page
To Previous Page IconTo Previous Page
Loading...
Chapter 6 Configuring Your Printer Using the Menus
43
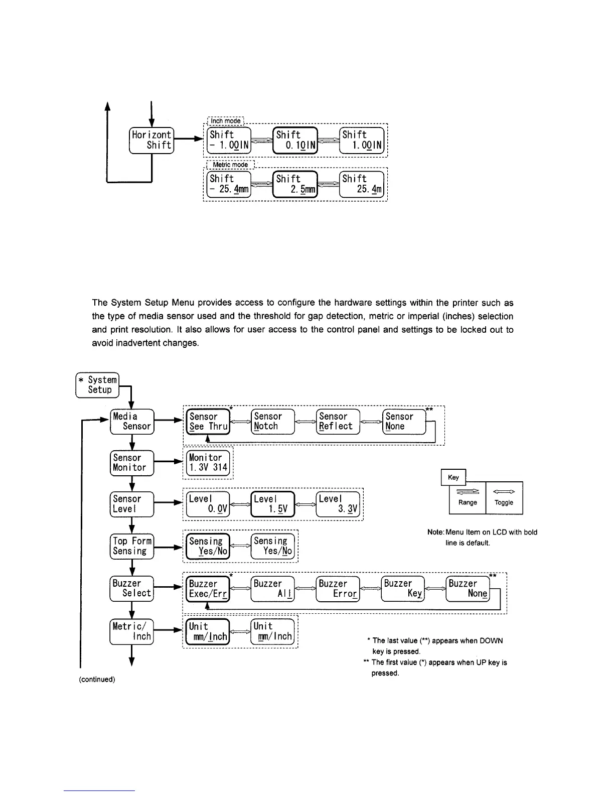
6.3 System Setup Menu

Table of Contents

Other manuals for Citizen CLP-8301

Related product manuals