EasyManua.ls Logo

CITROEN CX 2000 - Assembly Diagram; Vacuum Capsule

CITROEN CX 2000
394 pages
Print Icon
To Next Page IconTo Next Page
To Next Page IconTo Next Page
To Previous Page IconTo Previous Page
To Previous Page IconTo Previous Page
Loading...
.
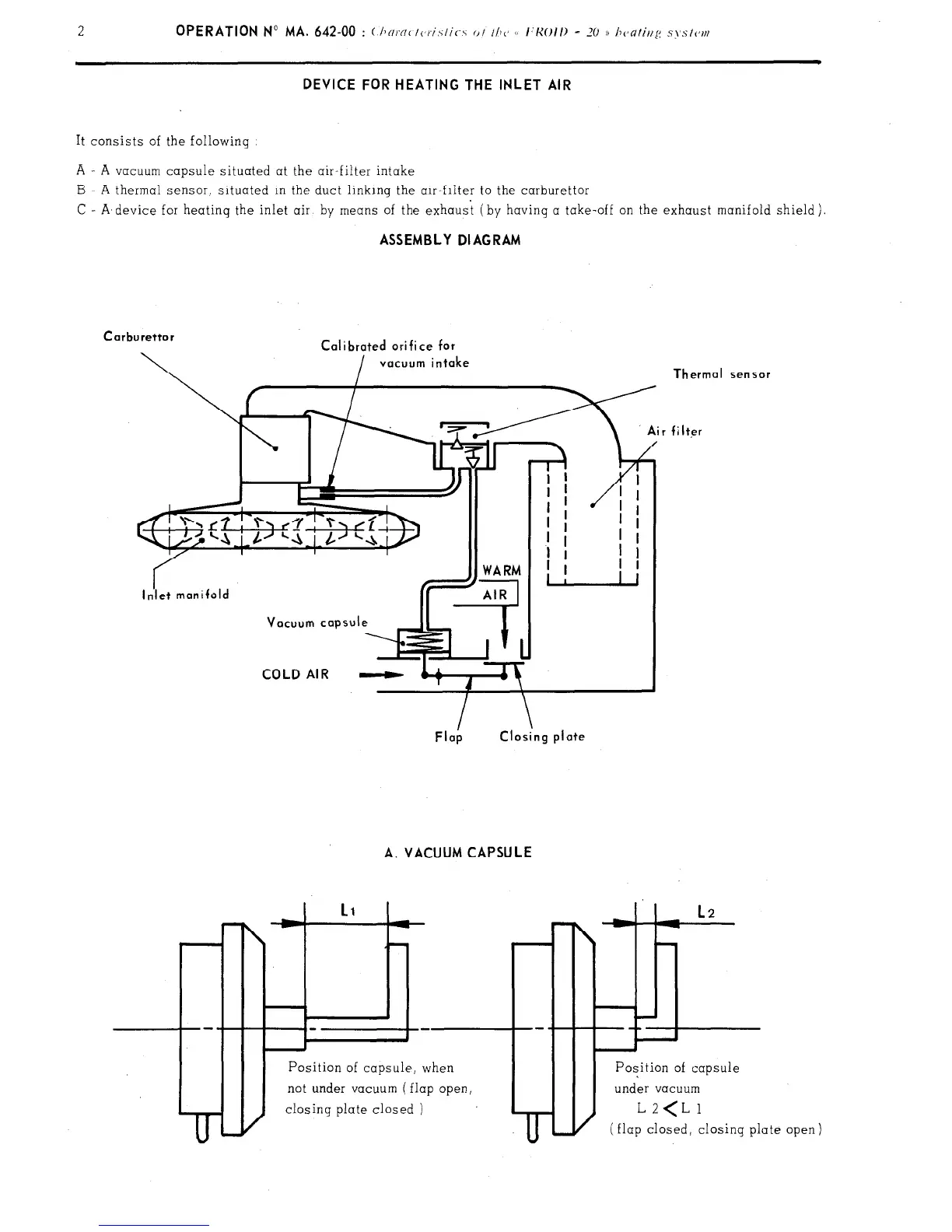
DEVICE FOR HEATING THE INLET AIR
It consists of the following
A
-
A
vacuum capsule situated at the air-filter intake
B A thermal sensor, situated in the duct linking the air-filter to the carburettor
C - A,device for heatinq the inlet air by means of the exhaust (by having a take-off on the exhaust manifold shield).
ASSEMBLY DIAGRAM
Carburettor
Calibrated ori fi ce for
vacuum intake
COLD AIR -
A. VACUUM CAPSULE
II
I
I
t
I
Position of capsule, when
not under vacuum ( flap open,
closing plate closed )
I
m-t
L2
L-H ii
---+-
Thermal
sensor
filter
Position of capsule
under vacuum
(flap closed, closing
plate
open 1

Related product manuals