EasyManua.ls Logo

CKD GPS3 Series - Dimensions

Default Icon
40 pages
Print Icon
To Next Page IconTo Next Page
To Next Page IconTo Next Page
To Previous Page IconTo Previous Page
To Previous Page IconTo Previous Page
Loading...
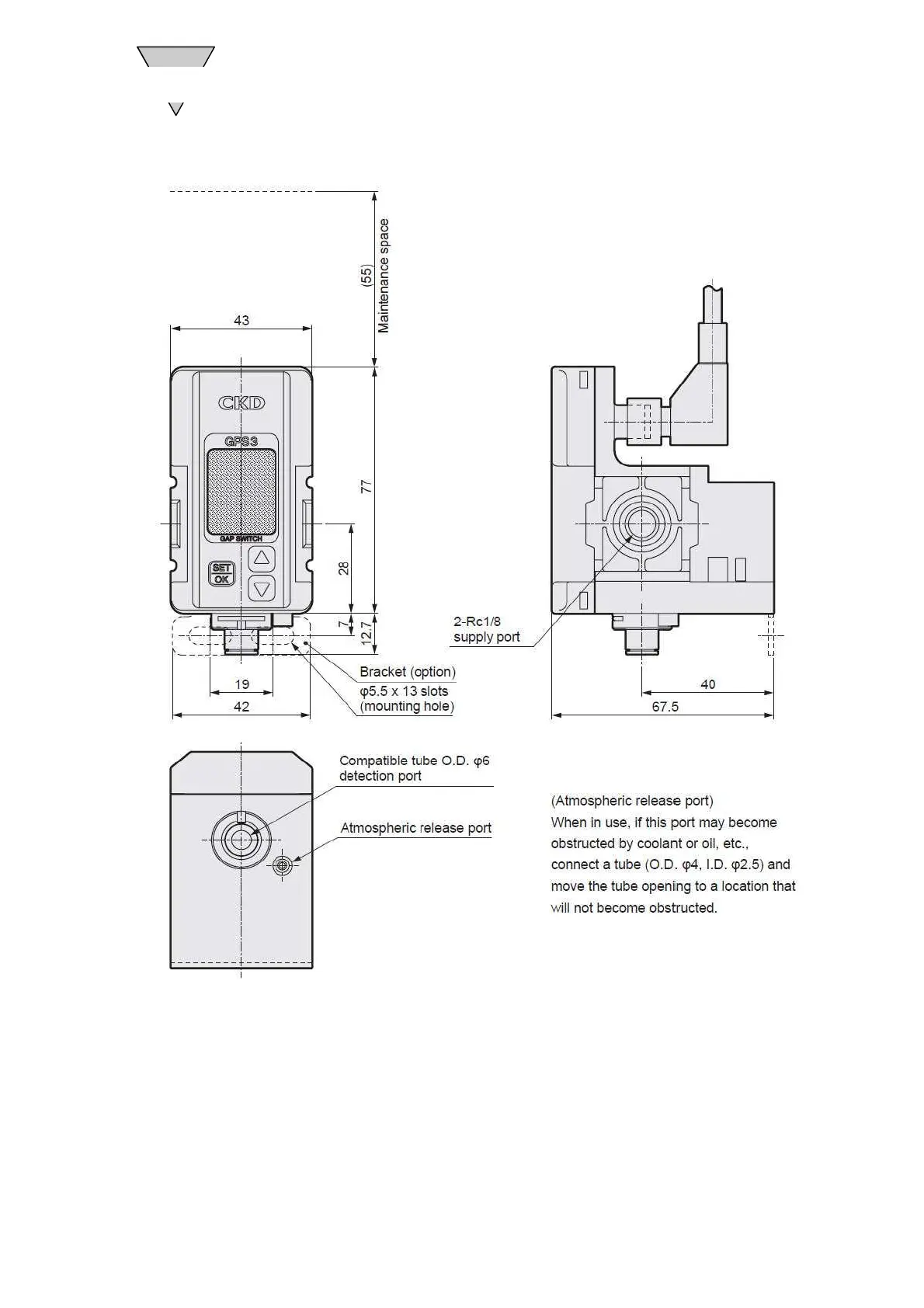
7.3Dimensions
●Discrete
PRODUCT
SPECIFICATIONS
[SM-P00143-A] −32−