EasyManua.ls Logo

Cleaver-Brooks CFV - Page 6

Cleaver-Brooks CFV
16 pages
Print Icon
To Next Page IconTo Next Page
To Next Page IconTo Next Page
To Previous Page IconTo Previous Page
To Previous Page IconTo Previous Page
Loading...
CFV Startup Guide
6 Part No. 750-288
1.6 Safety Controls
Users should take note of the safety controls installed as standard on the Model CFV. Minor adjustments to
the initial factory settings of some controls may be necessary for your particular installation.
It is required to test all controls for proper functioning prior to starting the boiler for the first time. Step-
by-step procedures for testing the controls can be found in the CFV manual (Chapter 4 - Commissioning).
The primary flame safety control is the CB Falcon, which monitors the flame signal by means of an
ionization electrode installed in proximity to the burner canister.
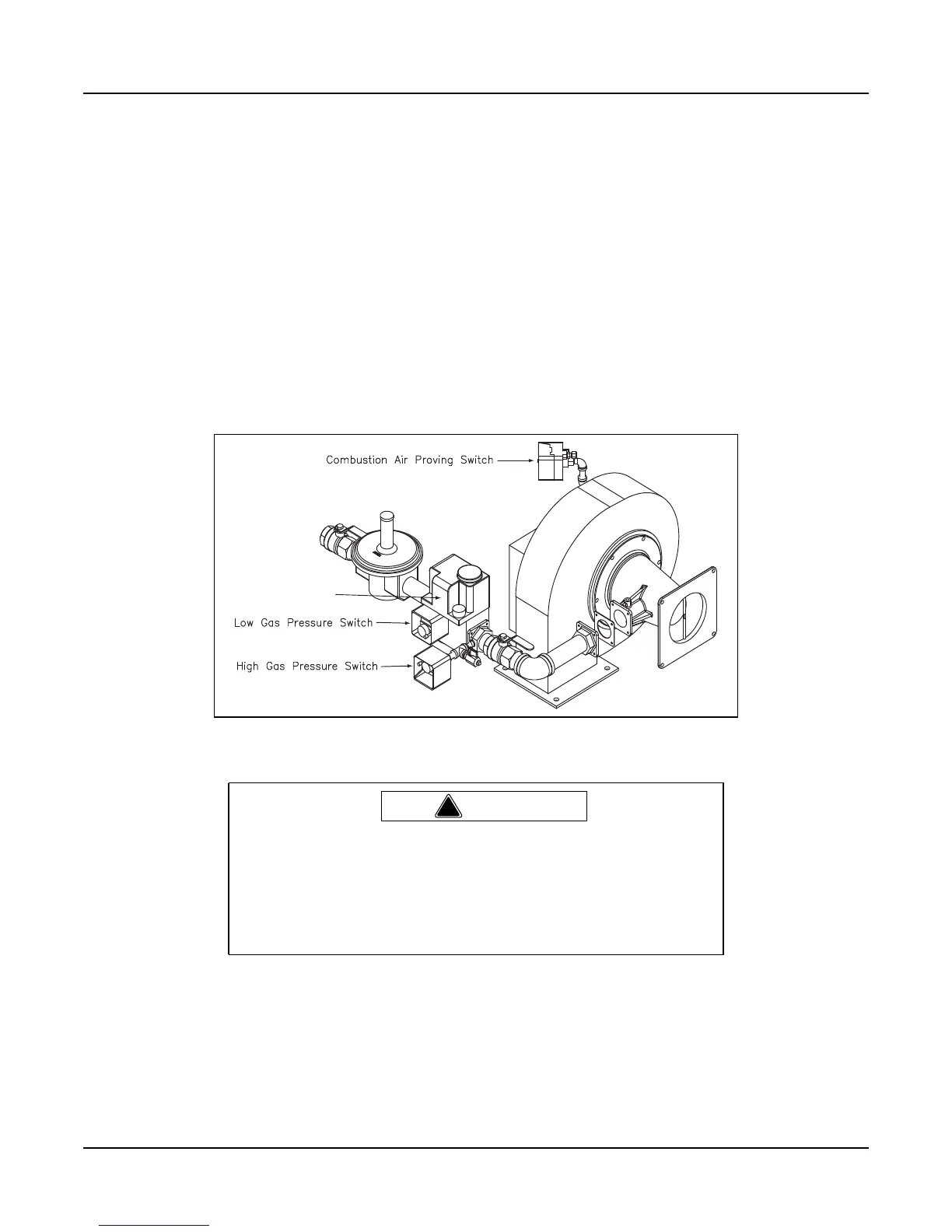
Other Combustion Safety Controls (see Figure 4) include the following:
Combustion Air Proving Switch
Low Gas Pressure Switch
High Gas Pressure Switch
Dual Safety Shut-off Valve (SSOV)
Depress all manual reset buttons for all controls prior to starting the boiler.
Water Level Controls (see Figure 5)
The primary Low Water Cutoff and pump control level probes are mounted in an external water column.
The Auxiliary Low Water Cutoff is mounted in the boiler vessel or optional external column. Control boards
for the LWCO and ALWCO are located in the boiler control panel. The ALWCO includes a panel-mounted
reset/test switch.
Figure 4 Combustion Safety Controls at Burner
!
Warning
The Model CFV is factory tested. Nevertheless, all burner safety
controls should be checked upon installation, prior to initial firing.
Failure to verify burner control functioning could result in severe
bodily injury or death.
For detailed procedures on how to test the safety controls, see the
boiler Operation and Maintenance Manual.
Dual SSOV

Related product manuals