EasyManua.ls Logo

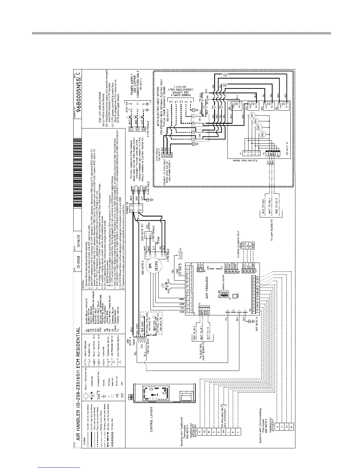
ClimateMaster Tranquility Series - Typical Wiring Diagram

ClimateMaster Tranquility Series
26 pages
Print Icon
To Next Page IconTo Next Page
To Next Page IconTo Next Page
To Previous Page IconTo Previous Page
To Previous Page IconTo Previous Page
Loading...
Tranquility
®
Digital Air Handler (TAH)
Rev.: 11 Feb., 2013
22
Geothermal Heat Pump Systems
Typical Wiring Diagram - 96B0005N55

Related product manuals