Home
CLIVET
Air Conditioner
ELFOROOM 3
Page 153
CLIVET ELFOROOM 3 - Page 153
264 pages
Manual
Go to English
Save Page as PDF
To Next Page
To Next Page
To Previous Page
To Previous Page
Loading...
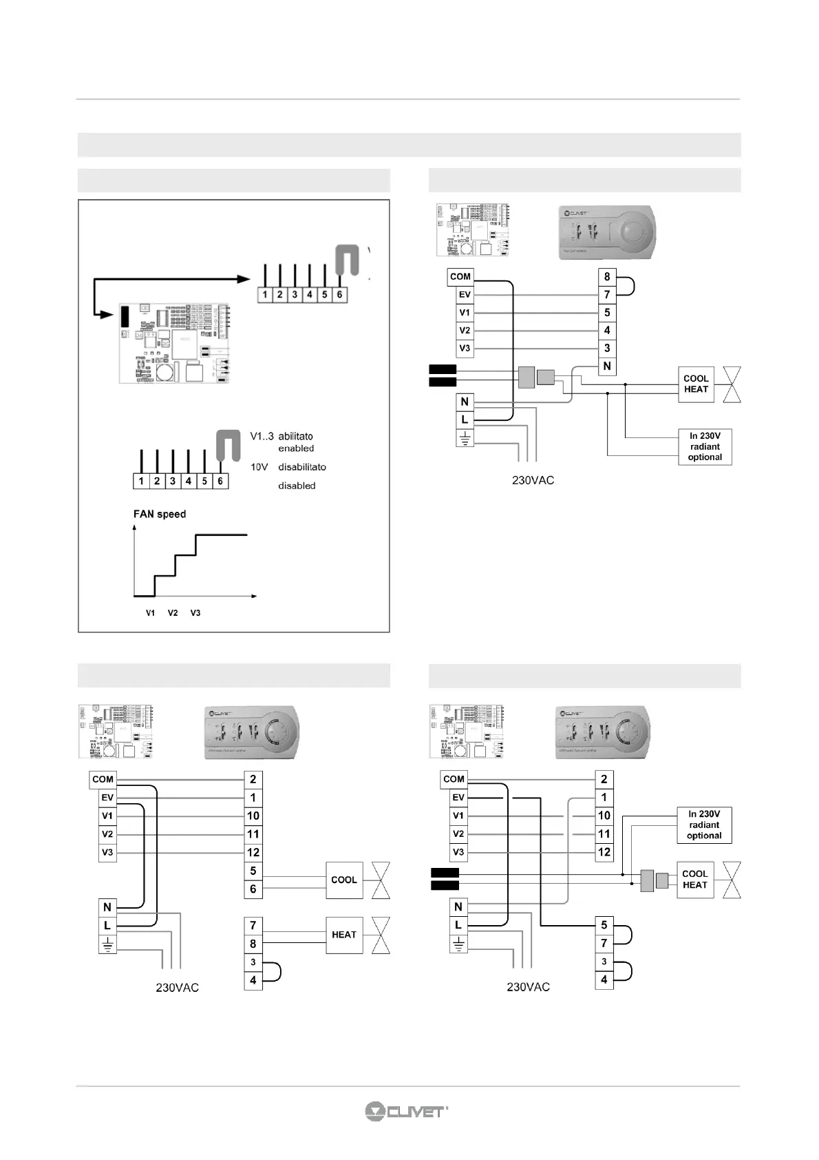
5 - CONEXIONES ELÉCTRICAS
Termostato HID-E2 - instalación a 4 tubos
Termostato HID-E2 - instalación a 2 tubos
5.11 Conexiónes termost
atos
Habilitar comando 3
velocidades
Termostato HID-E1 - instalación a 2 tubos
153
152
154
Table of Contents
Main Page
Default Chapter
3
Table of Contents
3
1 Generalità
7
2 Ricevimento
7
Posizionamento
8
Collegamenti Idraulici
11
Collegamenti Elettrici
16
6 Regolazione
23
Termostato Hid-T2 / T3 - Opzione
30
Allarmi
31
Manutenzione
34
Dismissione
37
Informazioni Tecniche
38
Rischi Residui
42
Index
47
General
48
General Instructions
48
Indications for the User
48
Fundamental Safety Rules
49
Unit Indentification
49
Unit Version
49
Vertical - Horizontal in View
49
Accessories
50
Delivery Control
51
Handling
51
Preliminary Information
51
Reception
51
Functional Spaces
52
Positioning
52
Horizontal or Ceiling Installation
53
Installation
53
Side Opening
53
Vertical Floor or Wall Installation
54
Condensation Discharge
55
Pipeline Diameter
55
Water Connections
55
Condensation Discharge HORIZONTAL Version
56
Condensation Discharge VERTICAL Version
56
Dismouting Panels
56
Fixture Rotation
56
Dismounting Control Panel
57
Coil Rotation for Connections on RIGHT
58
Filling the System
59
Mounting Front Grill Safety Support
59
Access to the Electrical Panel
60
Electrical Connections
60
Electrical Data
60
Signal / Data
60
Connection with Room Thermostat Mounted On- Board
61
Connection to HID-Txx Electronic Room Thermostat
62
HID-Ii2 THERMOSTAT
62
Hid-T2 / T3 Thermostat
62
Elfosystem GAIA Edition
63
MINI-NETWORK - MAX 9 Elforoom
63
Connection with 4-Speed Electronic Control
64
Command Enable 3 Speed
65
HID-E1 Thermostat - 2 Pipe System
65
HID-E2 Thermostat - 4 Pipe System
65
Thermostats Connections
65
0-10V Enable Command
66
HID-E3 Thermostat - 2 Pipe System
66
HID-E3 Thermostat - 4 Pipe System
66
Automatic Regulation of the Ventilation Speed
67
Built-In Electronic Thermostat
67
Control
67
ON / Standby
67
Temperature Change Set
67
Heating / Cooling
68
Keys Lock
68
Minimum Ventilation Speed
68
Night Functioning
68
Setting Automatic Cooling/ Heating Regulation System
69
Display
70
Speed Control
70
Start-Up/Shutdown
70
Alarms
71
Fan Speed Adjustment
71
On/Off Keypad with Warning Led
72
Setting Auxiliary Functions
73
Shut–Down for Long Periodos
73
Hid-T2 / T3 Thermostat - Optional
74
Modify the Set-Point
74
Switch the Thermostat on
74
Turn On/Take off the Anti-Tampering Block
74
Silent
75
HID-Ti2 THERMOSTAT - OPTIONAL
76
Operating Modes
76
Power On/Off
76
Selection of Mode of Operation
76
Keypad Lock
77
Management of Fan Speed
77
Ventilation Mode
77
Cleaning Filtering Seats
78
Cleaning the Outside
78
Extraction of Filter Cells in the Versions with Aspiration
78
Inspections Frequency
78
Maintenance
78
Ending Clearing Operations
79
Table of Anomalies and Remedies
80
Decommissioning
81
Disconnecting
81
Dismantling and Dispoal
81
Built-In Version - 2 Pipes
82
Cased Version - 2 Pipes
82
Dimensions
82
Built-In Version - 4 Pipes
83
Cased Version - 4 Pipes
83
Technical Information
83
Electrical Data
84
General Technical Specifications
84
Operating Limits (Cooling)
84
Operating Limits (Heating)
84
FAN SPEED: High Speed (H)
85
FAN SPEED: Low Speed (L)
85
FAN SPEED: Medium Speed (M)
85
Sound Levels
85
Danger Zone
86
Residual Risks
86
Generalite
92
Réception
95
Positionnement
96
Raccordements Hydrauliques
99
Raccordements Electriques
104
Reglage
111
Entretien
122
Mise Hors Service
125
Informations Techniques
126
Risques Résiduels
130
Общее
224
Приемка
227
Установка
228
Соединения По Воде
231
Электрические Соединения
236
Related product manuals
CLIVET ELFOROOM 5
264 pages
CLIVET ELFOROOM 11
264 pages
CLIVET ELFOROOM 15
264 pages
CLIVET EVH-X SPACE 3.1
62 pages
CLIVET EVH-X SPACE 2.1
62 pages
CLIVET Versatemp EQV-X
80 pages
CLIVET EVH-X SPACE 5.1
62 pages
CLIVET EVH-X SPACE 7.1
62 pages
CLIVET EVH-X SPACE 10.1
62 pages
CLIVET WSAT-2
58 pages
CLIVET WSAN-YMi 61
156 pages
CLIVET WSAN-YMi 31
156 pages