EasyManua.ls Logo

CLIVET ELFOROOM 3 - Page 193

CLIVET ELFOROOM 3
Print Icon
To Next Page IconTo Next Page
To Next Page IconTo Next Page
To Previous Page IconTo Previous Page
To Previous Page IconTo Previous Page
Loading...
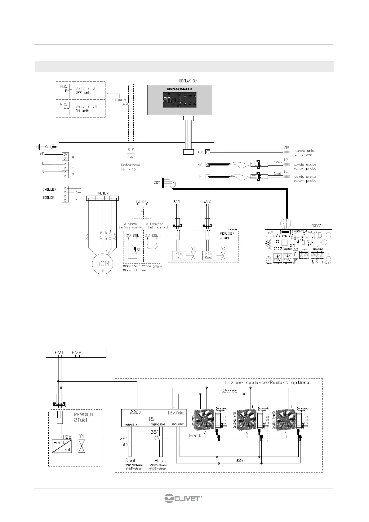
5 - ELEKTRISCHE ANSCHLÜSSE
5.6 Eingebautem Thermostat in Gerät
4 pipes : Y1 + Y2
2 pipes : Y1
193

Table of Contents

Related product manuals