EasyManua.ls Logo

Code Blue CB 1 Series - Wiring for CB 1-s with AED Housing; Ground Wire Connection; 24 V AC Supply Connection; 120 V AC Supply Connection

Code Blue CB 1 Series
76 pages
Print Icon
To Next Page IconTo Next Page
To Next Page IconTo Next Page
To Previous Page IconTo Previous Page
To Previous Page IconTo Previous Page
Loading...
Code Blue
259 Hedcor Street
Holland, MI 49423 USA
800.205.7186
www.codeblue.com
GU-157-AApage 27 of 76
CB 1 Series
Administrator Guide
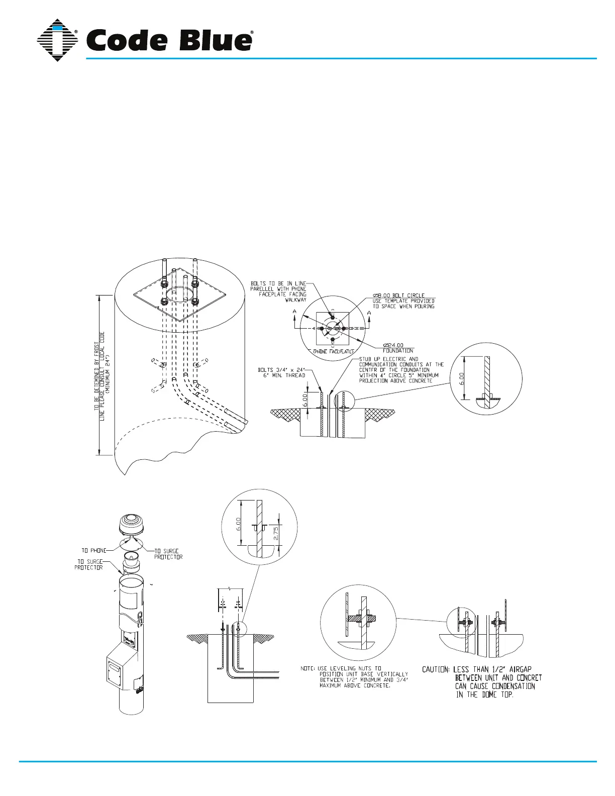
5.0 WIRING (refer to additional wiring instructions for the CB 1-s with AED Housing)
5.1 Ground – The ground (green) wire should be stripped and fastened to the supplied grounding
lug.
5.2 24V AC supply – Using the proper crimping tool, attach a #8 fork to each of the incoming
power wires and fasten them to the terminal screws labeled “Line” and “Neutral.”
5.3 120V AC supply – Using the proper crimping tool, attach a #8 fork to each of the incoming
power wires and fasten tem to the terminals as labeled on the transformer. After completing
the wire connections, install the supplied terminal covers.
All wiring must be installed and connected by experienced and certied personnel to meet
local and national electrical codes, and will include a service disconnect.
Figure 1

Table of Contents

Related product manuals