EasyManua.ls Logo

Code Blue CB 2 Series - Page 34

Code Blue CB 2 Series
63 pages
Print Icon
To Next Page IconTo Next Page
To Next Page IconTo Next Page
To Previous Page IconTo Previous Page
To Previous Page IconTo Previous Page
Loading...
Code Blue
259 Hedcor Street
Holland, MI 49423 USA
800.205.7186
www.codeblue.com
GU-149-AApage 34 of 63
CB 2 Series
Administrator Guide
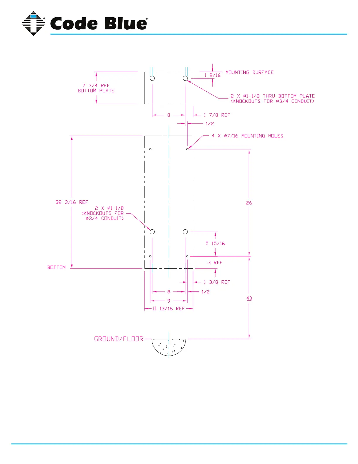
Suggested installation dimensions shown from ground to lower right mounting hole are for single button face-
plates.
For dual button faceplate, deduct 3.25 inches.
For keypad faceplate, deduct 4.5 inches.
For wheelchair direct facing access only, deduct 6 inches.
DISCLAIMER: The dimensions above are intended as guidelines only. For specic installation requirements,
reference your local codes.
All wiring must be installed and connected by experienced and certied personnel to meet
local and national electrical codes, and will include a service disconnect.

Other manuals for Code Blue CB 2 Series

Related product manuals