EasyManua.ls Logo

Columbia MCB50 - Page 10

Columbia MCB50
28 pages
Print Icon
To Next Page IconTo Next Page
To Next Page IconTo Next Page
To Previous Page IconTo Previous Page
To Previous Page IconTo Previous Page
Loading...
10
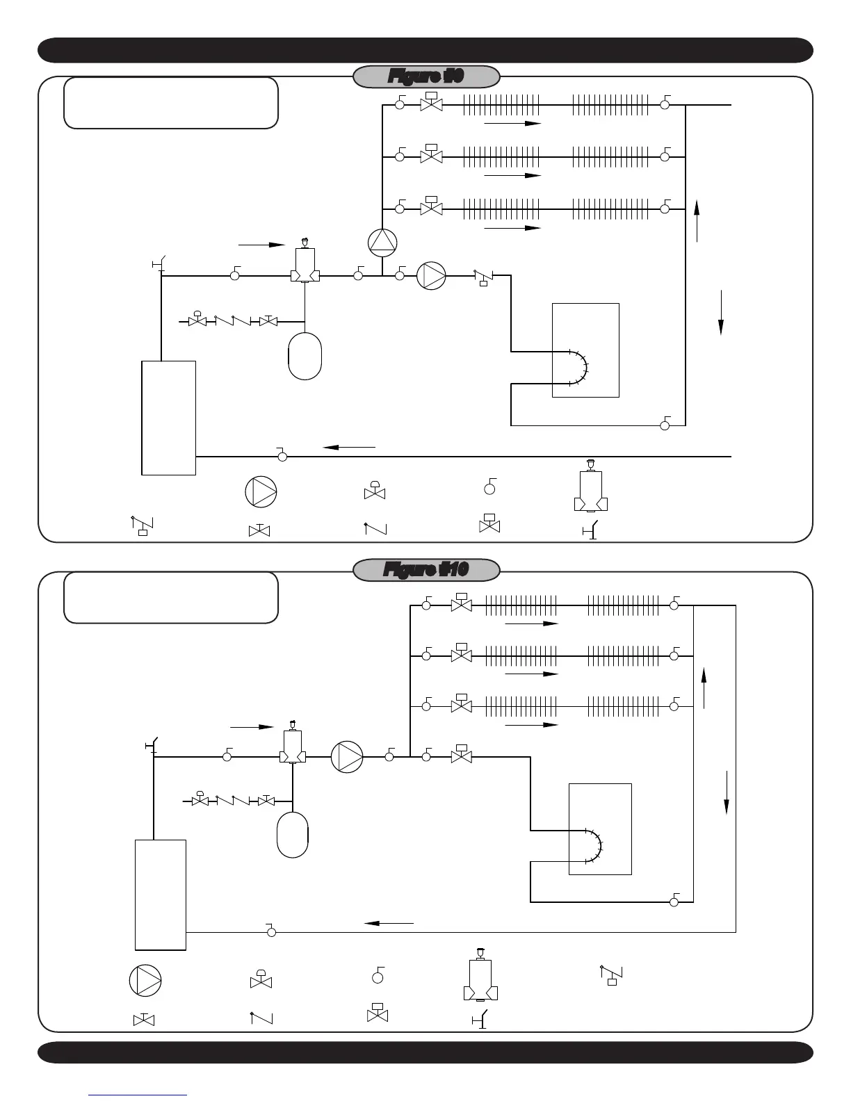
ZONE 3
ZONE 2
ZONE 1 (PRIORITY ZONE)
BOILER
WATER INLET
ZONE 4
*USE FULL PORT ZONE
VALVE.
DHW
CIRCULATOR
CH
CIRCULATOR
CIRCULATOR
FLOW CONTROL
VALVE
SHUT-OFF
VALVE
PRESSURE
REDUCER VALVE
CHECK VALVE
BALL VALVE
AIR SEPARATOR
ZONE VALVE
HOSE BIB
EXPANSION
TANK
ZONE 3
ZONE 2
ZONE 1 (PRIORITY ZONE)
BOILER
WATER INLET
CH & DHW
SYSTEM
CIRCULATOR
*USE FULL PORT ZONE
VALVE. FOR OPTIMUM TANK
PERFORMANCE, CONSIDER
USING ZONE CIRCULATOR
(SEE FIGURE 5)
ZONE 4
CIRCULATOR
SHUT-OFF
VA LV E
PRESSURE
REDUCER VALVE
CHECK VALVE
EXPANSION
TANK
AIR SEPARATOR
ZONE VALVE
HOSE BIB
FLOW CONTROL
VA LV E
Figure #9
Figure #10
CONNECTING SUPPLY AND RETURN PIPING
MULTIZONE SYSTEM WITH
ZONE VALVES AND DHW PRIORITY
(WITH CIRCULATOR)
MULTIZONE SYSTEM WITH
ZONE VALVES AND DHW PRIORITY
(WITH ZONE VALVE)

Other manuals for Columbia MCB50

Related product manuals