EasyManua.ls Logo

Columbia MCB50 - Page 9

Columbia MCB50
28 pages
Print Icon
To Next Page IconTo Next Page
To Next Page IconTo Next Page
To Previous Page IconTo Previous Page
To Previous Page IconTo Previous Page
Loading...
9
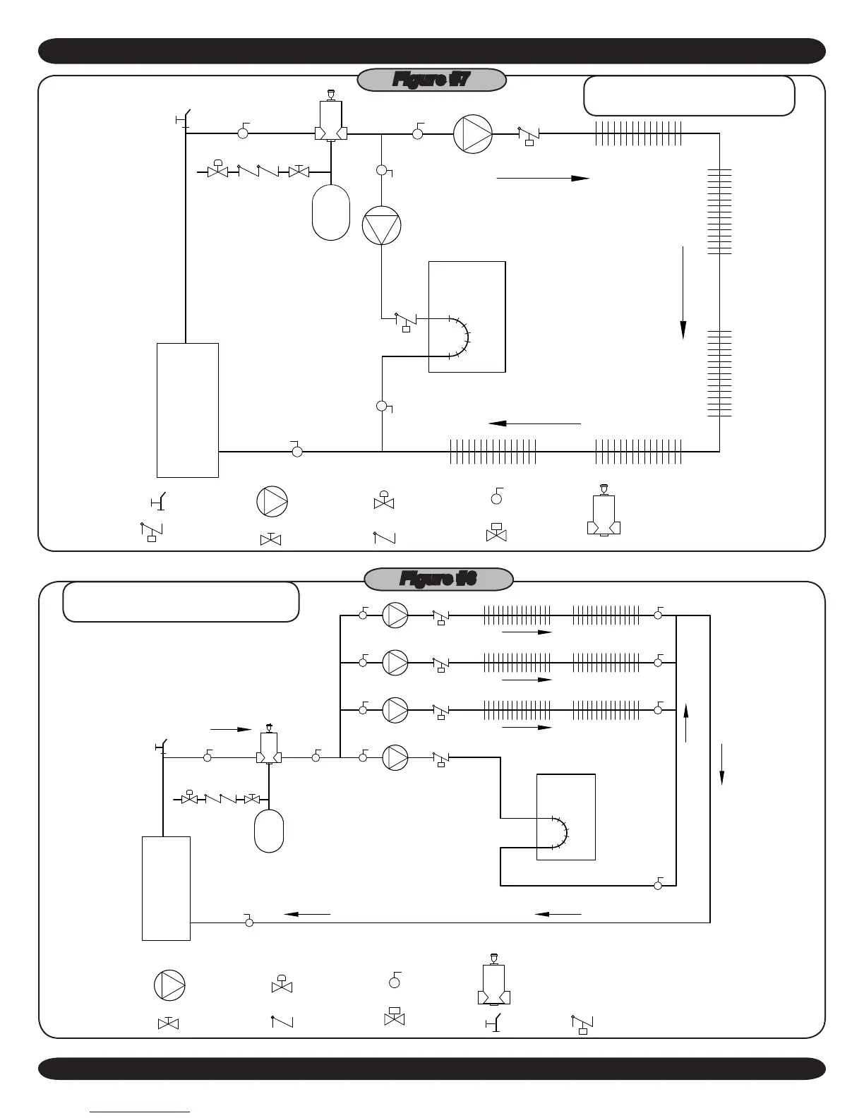
ZONE 3
ZONE 2
ZONE 1 (PRIORITY ZONE)
BOILER
ZONE 4
DHW CIRCULATOR
WATER INLET
CIRC 2
CIRC 3
CIRC 4
CIRCULATOR
SHUT-OFF
VA LV E
PRESSURE
REDUCER VALVE
CHECK VALVE
BALL VALVE
AIR SEPARATOR
ZONE VALVE
HOSE BIB
FLOW CONTROL
VA LV E
EXPANSION
TANK
BOILER
DHW
CIRCULATOR
CH CIRCULATOR
PRIORITY ZONE
CIRCULATOR
EXPANSION
TANK
WATER INLET
FLOW CONTROL
VAV L E
SHUT-OFF
VA LV E
PRESSURE
REDUCER VALVE
CHECK VALVE
BALL VALVE
AIR SEPARATOR
ZONE VALVE
HOSE BIB
SINGLE ZONE SYSTEM WITH
DHW PRIORITY
MULTIZONE SYSTEM WITH CIRCU-
LATORS AND DHW PRIORITY
CONNECTING SUPPLY AND RETURN PIPING
Figure #7
Figure #8

Other manuals for Columbia MCB50

Related product manuals