EasyManua.ls Logo

ComAp IS-NT-BB - Page 15

ComAp IS-NT-BB
260 pages
Print Icon
To Next Page IconTo Next Page
To Next Page IconTo Next Page
To Previous Page IconTo Previous Page
To Previous Page IconTo Previous Page
Loading...
IGS-NT-BC, SW Version 1.2.0, ©ComAp January 2019
IGS-NT-BC-1.2.0 Reference Guide.PDF
15
(1)
EXTENSIO N
M OD ULES
INTERC ONTR OLLER
& M ON ITORI NG
DISPLAY
L H L H
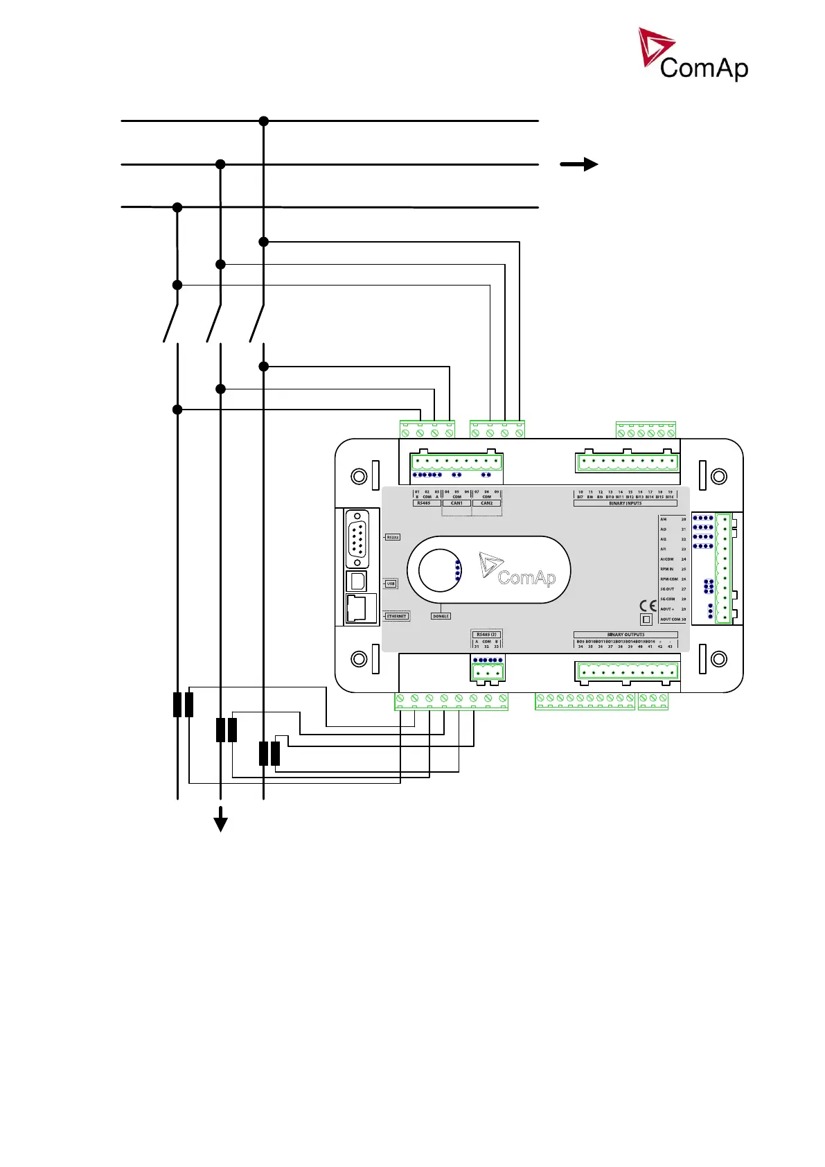
IS-NT
LB 9
BANK
CONTROLLER
k
L2
L3
L1
L2
L3
GENERATOR VOLTAGE
MAINS VOLTAGE
L1
L2
L3
TO OTHER GENSET
BANKS
COMMON BUSBAR
BANK BUSBAR
TO THE GENSETS
GENERATOR CURRENT
l
L1 L2 L3
k
l
K
L
L1
Figure: AC measurement with the BCB

Table of Contents

Other manuals for ComAp IS-NT-BB

Related product manuals