EasyManua.ls Logo

ComAp IS-NT-BB - BCB Control and Synchronizing

ComAp IS-NT-BB
260 pages
Print Icon
To Next Page IconTo Next Page
To Next Page IconTo Next Page
To Previous Page IconTo Previous Page
To Previous Page IconTo Previous Page
Loading...
IGS-NT-BC, SW Version 1.2.0, ©ComAp January 2019
IGS-NT-BC-1.2.0 Reference Guide.PDF
16
(1)
EXTENSIO N
M OD ULES
INTERC ONTR OLLER
& M ON ITORI NG
DISPLAY
L H L H
IS-NT
LB 9
BANK
CONTROLLER
k
L2
L3
GENERATOR VOLTAGE
MAINS VOLTAGE
L1
L2
L3
TO OTHER GENSET
BANKS
COMMON BUSBAR
BANK BUSBAR
TO THE GENSETS
GENERATOR CURRENT
l
L1 L2 L3
k
l
K
L
L1
OPTIONAL CT
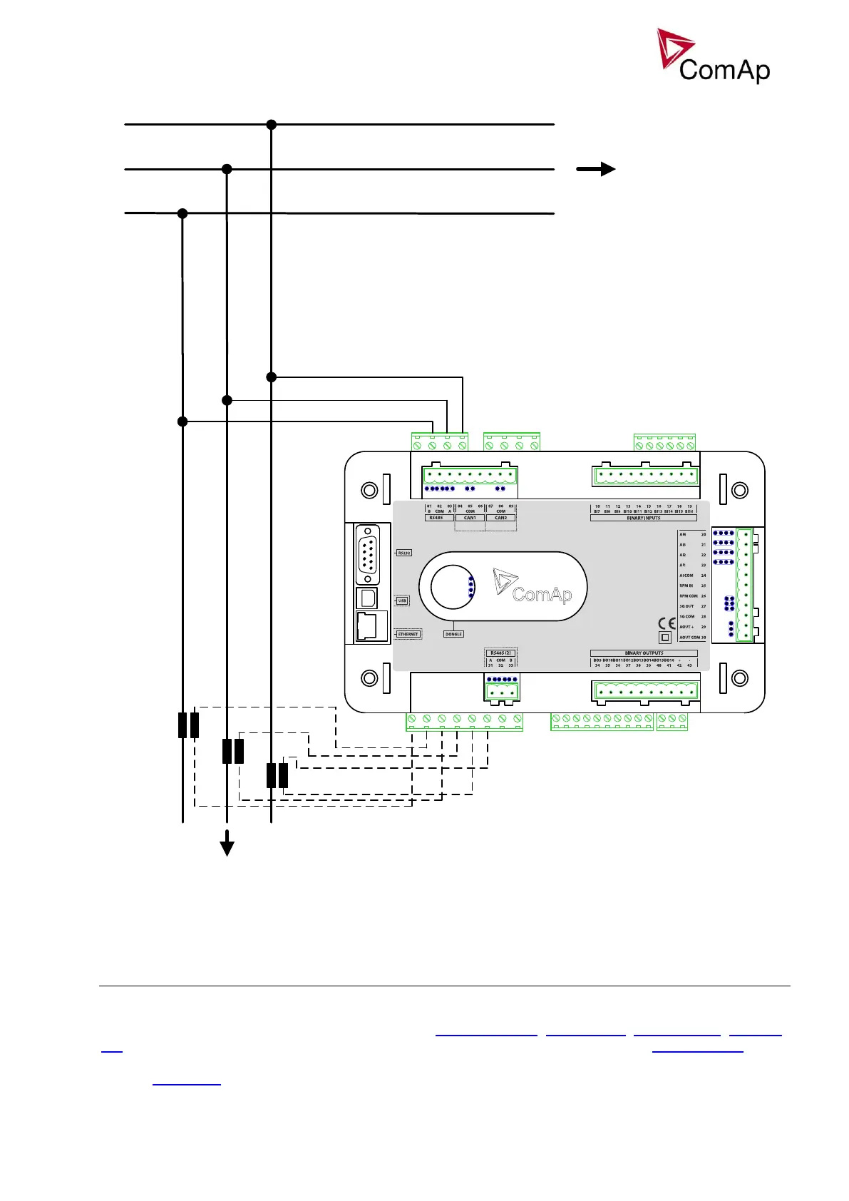
Figure: AC measurement without the BCB
Note: It is recommended to use T1A fuses for controller voltage measurement circuits protection.
BCB control and synchronizing
If the system is equipped with BCB the BCB is controlled by the Bank controller. There is a set of control
outputs for various types of the breaker or contactor: BCB close/open, BCB ON coil, BCB OFF coil, BCB UV
coil. Breaker feedback signal is to be connected to the binary input with logical function BCB feedback. If this
logical function is not configured on any binary input the bank controller assumes BCB is not used. See the
chapter Installation for information about proper wiring of the site with or without BCB.

Table of Contents

Other manuals for ComAp IS-NT-BB

Related product manuals