EasyManua.ls Logo

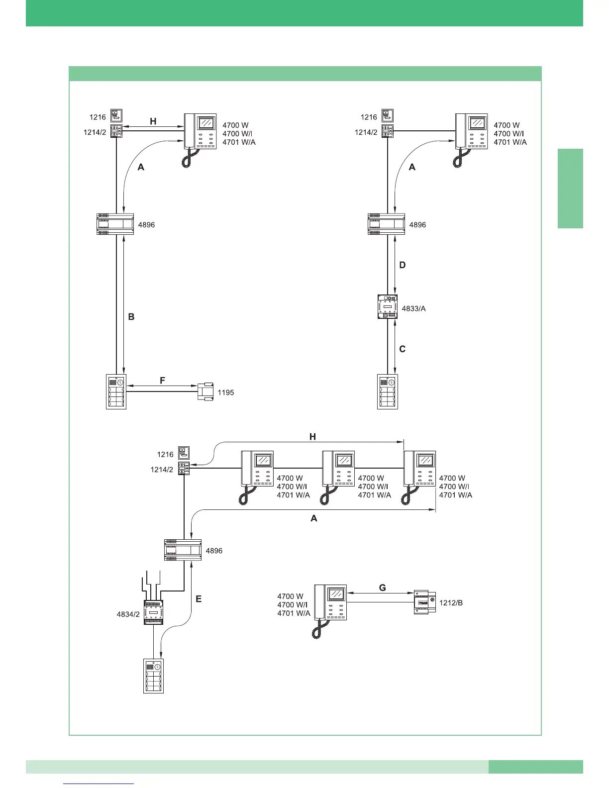
Comelit MT SB2 01 - Distance Diagrams; Visual Representation of Distances

Comelit MT SB2 01
Print Icon
To Next Page IconTo Next Page
To Next Page IconTo Next Page
To Previous Page IconTo Previous Page
To Previous Page IconTo Previous Page
Loading...
Figures showing distances
MT SB2 01
39
MT SB2 01
ENGLISH

Table of Contents

Related product manuals