EasyManua.ls Logo

Comelit MT SB2 01 - Page 84

Comelit MT SB2 01
Print Icon
To Next Page IconTo Next Page
To Next Page IconTo Next Page
To Previous Page IconTo Previous Page
To Previous Page IconTo Previous Page
Loading...
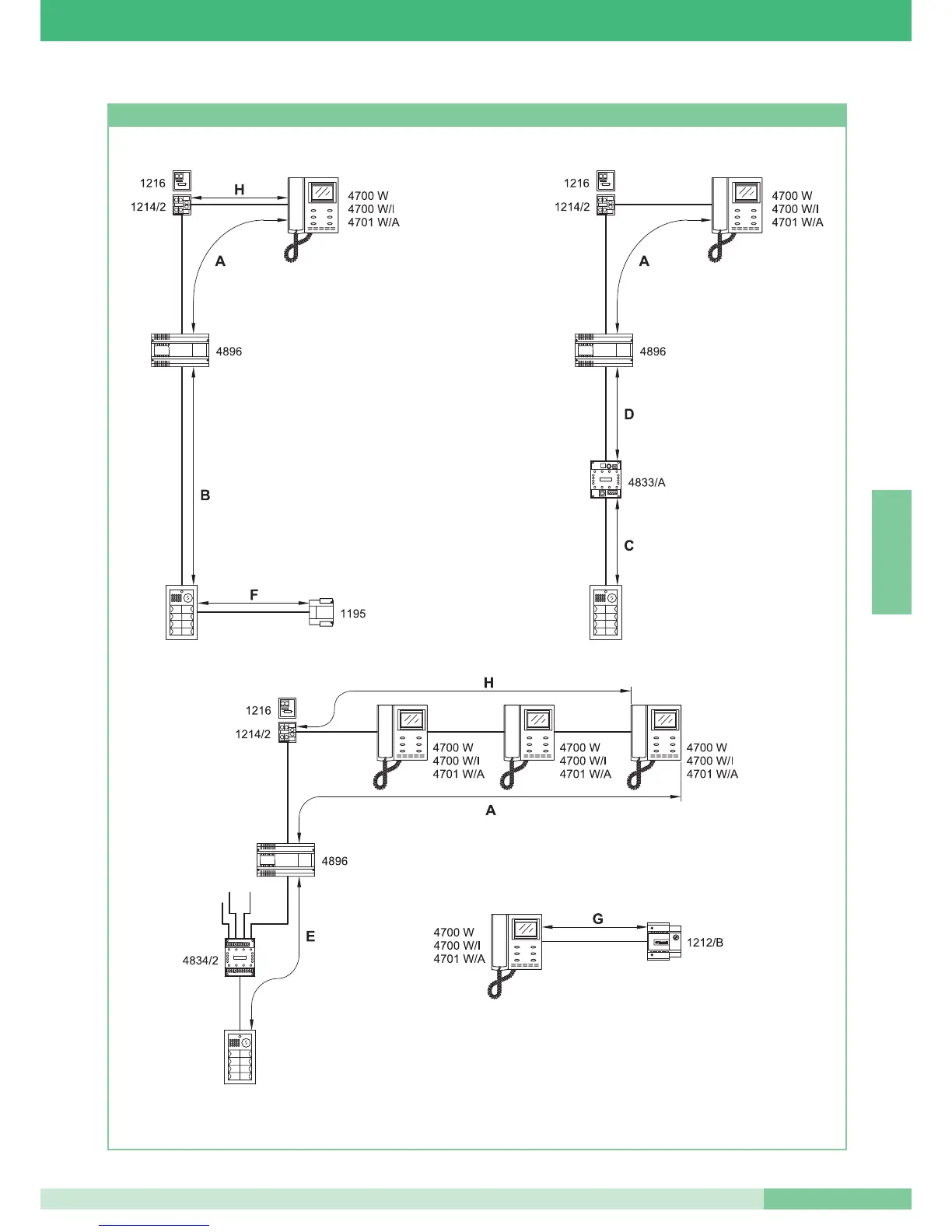
Afbeeldingen voor de afstanden
MT SB2 01
83
MT SB2 01
NEDERLANDS

Table of Contents

Related product manuals