EasyManua.ls Logo

Commax DRC-481L - Household Videophone Wiring (APV-481 FT)

Commax DRC-481L
53 pages
Print Icon
To Next Page IconTo Next Page
To Next Page IconTo Next Page
To Previous Page IconTo Previous Page
To Previous Page IconTo Previous Page
Loading...
- 39-
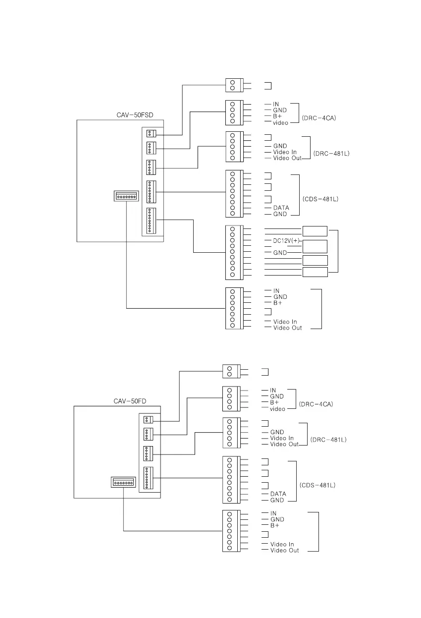
5) Household Videophone(CAV-50FSD)
6) Household Videophone(CAV-50FD)
Bk: Black
Br: Brown
R: Red
Or: Orange
Y: Yellow
G: Green
B: Blue
Pu: Purple
G: Gray
W: White
Telephone
Main Entrance
Talk
Talk 1
Talk 2
Talk 3
Warring1
Warring2
Burglar
Emergency
Guardhouse
Sensor
Sensor
Extention
Main Entrance Call
Household Camera
R
B
R
B
Y
W
Bk
Br
R
Or
Y
G
B
Pu
Bk
Br
R
Or
Y
G
B
Pu
G
Bk
Br
R
Or
Y
G
B
Bk
Br
R
Or
Y
Talk
Talk 1
Talk 2
Talk 3
Telephone
Main Entrance
Main Entrance Call
Guardhouse
Extention
Household Camera
R
B
R
B
Y
W
Bk
Br
R
Or
Y
G
B
Pu
Bk
Br
R
Or
Y
G
B
Bk
Br
R
Or
Y

Related product manuals