EasyManua.ls Logo

Commax DRC-481L - Household Videophone Wiring (CAV-501 D)

Commax DRC-481L
53 pages
Print Icon
To Next Page IconTo Next Page
To Next Page IconTo Next Page
To Previous Page IconTo Previous Page
To Previous Page IconTo Previous Page
Loading...
- 42-
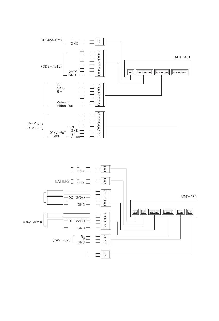
9) TV-Phone Interface Adaptor(ADT-481)
10) Security Interface Adaptor(ADT-482)
R
B
Unit DC
Guardhouse
Talk 1
Talk 2
Talk 3
Extention
Camera
Power
(Supply of CAV-482S)
Guardhouse(CKV-60T)
Door Release(CKV-60T)
Main Entrance Call
Bk
Br
R
Or
Y
G
B
Pu
Bk
Br
R
Or
Y
G
B
Bk
Br
R
Or
Y
G
B
Pu
R
B
R
B
R
B
Bk
Br
R
Or
Y
Bk
Br
R
Or
Y
Bk
Br
R
Bk: Black
Br: Brown
R: Red
Or: Orange
Y: Yellow
G: Green
B: Blue
Pu: Purple
G: Gray
W: White
Burglar 1
Burglar 2
Burglar 1
Burglar 2
Sensor
Sensor
Sensor
Sensor
Telephone
Communication

Related product manuals