EasyManua.ls Logo

Comparc S-512P CV - Section 6 Electrical Diagram

Default Icon
24 pages
Print Icon
To Next Page IconTo Next Page
To Next Page IconTo Next Page
To Previous Page IconTo Previous Page
To Previous Page IconTo Previous Page
Loading...
PM1395
11
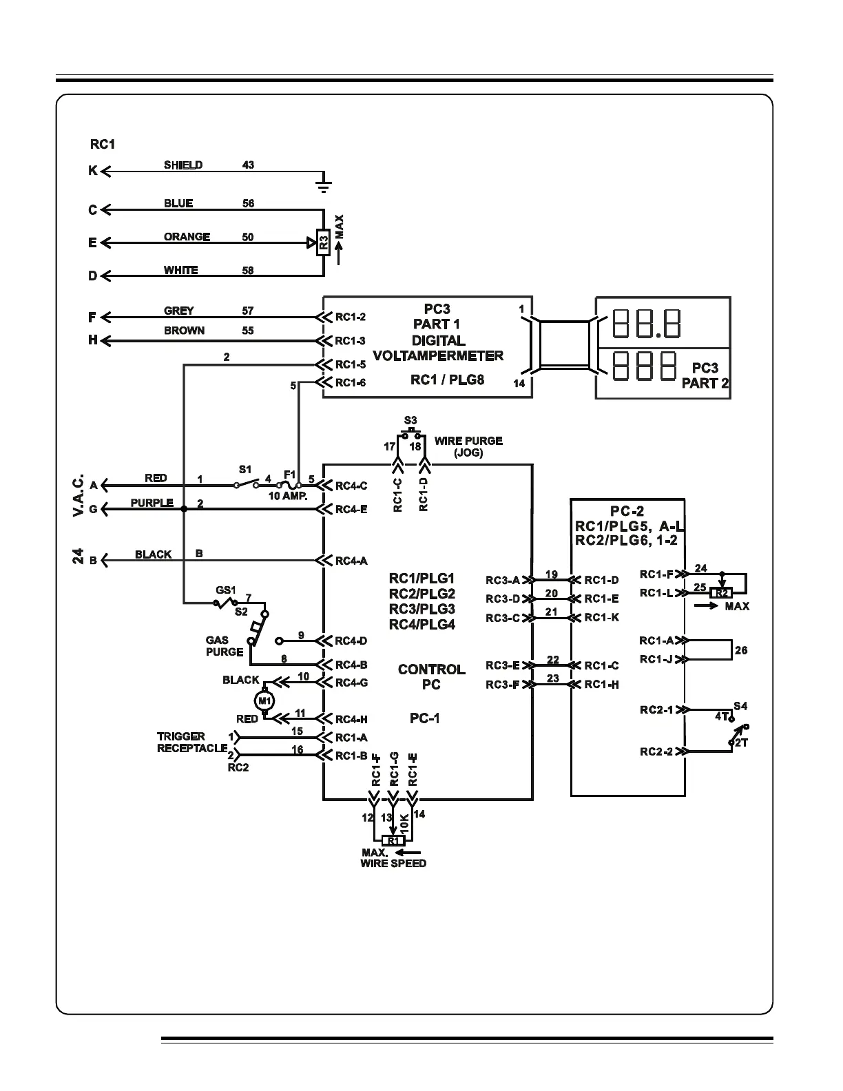
SECTION 6 ELECTRICAL DIAGRAM
DE-0197
REV. 0