EasyManua.ls Logo

Comtec 2200 - Electrical Schematic

Comtec 2200
46 pages
Print Icon
To Next Page IconTo Next Page
To Next Page IconTo Next Page
To Previous Page IconTo Previous Page
To Previous Page IconTo Previous Page
Loading...
34
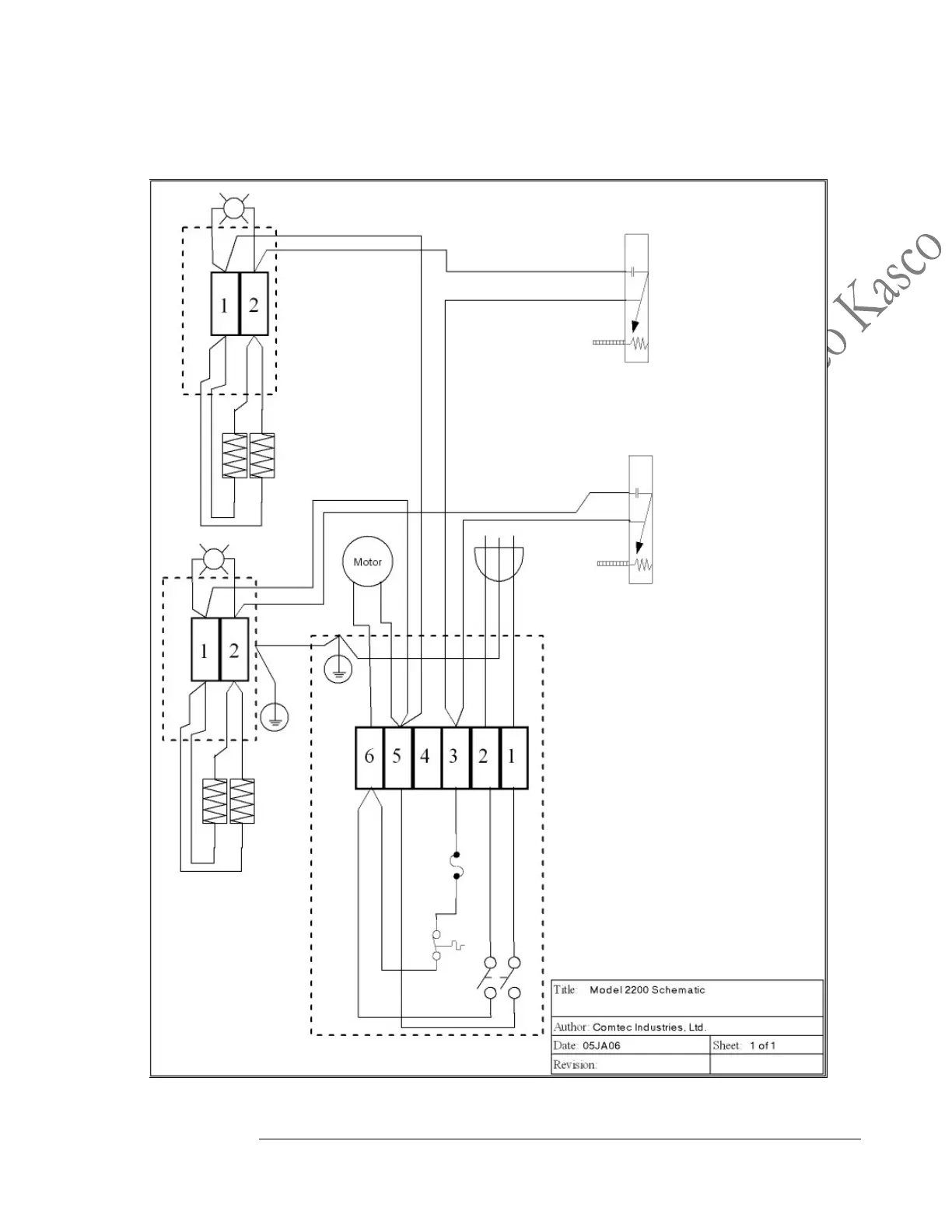
Electrical Schematic