EasyManua.ls Logo

Conti CC202 - Page 30

Conti CC202
34 pages
Print Icon
To Next Page IconTo Next Page
To Next Page IconTo Next Page
To Previous Page IconTo Previous Page
To Previous Page IconTo Previous Page
Loading...
Edition 05/2021 CC200 D Notice technique page 29
SACOME, Document CONFIDENTIEL, Ne peut être reproduit ni communiqué sans notre accord préalable.
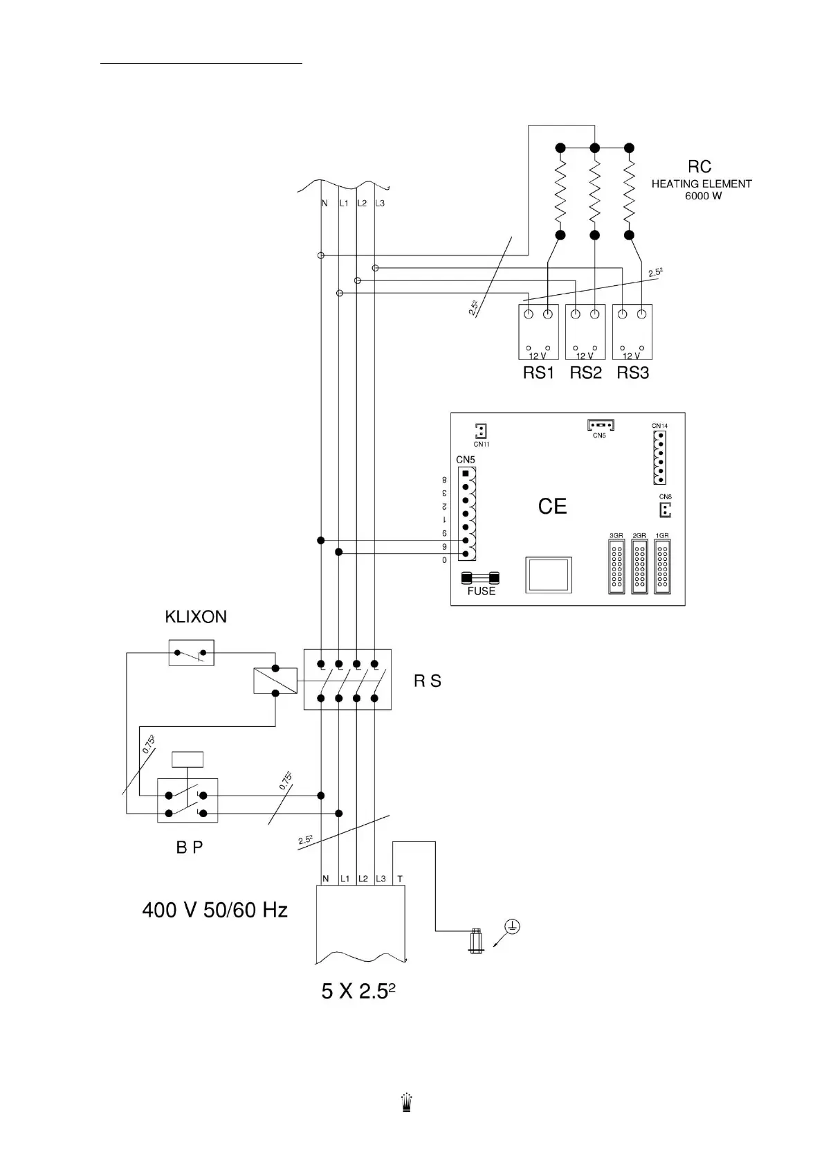
14.4. ELECTRICAL HEATING CIRCUIT
For CC100 3G (6000W) 400V 50/60Hz trifase

Related product manuals